16

Solid State Relay (SSR) Crydom CN240A24: Eur 10.72

alt text

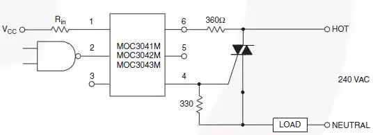
Same function with basic components

Optocoupler MOC3043 (zero-crossing detect, triac out): Eur 0.726
Triac BTA06-600CWRG (snubberless): Eur 1.16
2 resistors: Eur 0.212

Total for the second solution: Eur 2.10, or 80% less than the SSR solution. Prices from the Mouser catalogue. Similar devices from other manufacturers have similar prices (quick check).

alt text

So, the question is: what's so special about Solid State Relays that they cost so much?

edit
I guess at Crydom the LED and photo-triac are bonded directly to the thin PCB. Packaged components may be used for small production runs, though.

Brian Carlton
  • 13,312
  • 5
  • 44
  • 65
stevenvh
  • 145,832
  • 21
  • 457
  • 668
  • 2
    This sounds like people who complain that they sell iPods for 150% the component cost, which if true, is totally amazing. They should probably be selling them for at least 300-500%. Design, manufacturing, marketing, logistics is not cheap. – Nick T Dec 04 '10 at 23:29
  • 3
    @Nick: I'm comparing components with components, not with end user products. In the final product the SSR may cost 30 euros, while the other solution would still cost only 6 euros. – stevenvh Dec 05 '10 at 09:30
  • 1
    So components made with other components aren't designed, manufactured, marketed, or shipped and warehoused? – Nick T Dec 06 '10 at 07:37

4 Answers4

14

Principally, you're paying for the testing. UL and CE testing is Very expensive. Also, lifetime and reliability testing (the crydom relays are specced to 100,000 cycles), which means that crydom has actually run a number of the devices through 100,000 cycles at load.

Furthermore, you're also paying for liability insurance. If an appliance fails and kills someone, and the only AC-facing component was a crydom relay, it's crydom's problem. If the AC components are your own, it's your problem.

Lastly, while it's true that a discrete relay solution is preferable in large volumes, you often see SSRs in small-volume or specialty products, where assembly and testing costs dominate the expenses, rather than raw component costs.

Connor Wolf
  • 32,168
  • 6
  • 79
  • 138
4

You are comparing the component cost against a manufacturer item with heat sink (the back plate), housing, screw terminals and pcb.

Add a few euros for those items and your true bill of materials cost is getting closer to 3-4 Euro.

Finally manufacturer the items in china, and they will wont some money too! ship it, handle it, distribute it, and you can quickly see where the costs are going.

Of course, design your own, and you incur the NRE, buy one pre done and it is much cheaper for low volumes.

So yes you are paying more, but it is off the shelf and ready to go and allows you to focus on the bigger picture - your application. When you need to make 1000+ of them, then doing your own will work out cheaper. As you know the application you can add more electronics to the circuit board and design it to fit within your enclosure as needed.

smashtastic
  • 3,336
  • 22
  • 33
  • 1
    With the Crydom I picked a type which doesn't have expensive parts like heatsinks or screw terminals. I added a picture in my question. And packaging is also required for the other solution (the triac is in TO-220, which does have a heatsink). In other words, I'm not convinced. :-) – stevenvh Dec 04 '10 at 18:53
  • it still has circuit board in there .... I am not here to convince you, but to try to explain where the cost goes ..... think about it if it was you selling them, BOM cost 2 Euro + pcb and package comes to circa 4 euros, how much would you want to sell it for??? – smashtastic Dec 04 '10 at 21:39
  • @stevenvh how much does it cost you to fab a board and fab the case for it to go in? Don't forget to include labor costs even if it is your own labor. – Kellenjb Dec 04 '10 at 21:45
  • @Stevenvh Also, do you know if the relay adds and protection that isn't in your circuit. – Kellenjb Dec 04 '10 at 21:47
  • @Kellenjb: I don't think it has extra protection circuitry, like a snubber, otherwise it would probably be visible on the print. It would be a feature, wouldn't it? Now it shows just the LED and the photo-triac. – stevenvh Dec 05 '10 at 08:12
2

You are also paying for assembly, packaging, testing, approvals, sales & marketing and a whole bunch of other things. Also bear in mind that pricing in Mouser is not a particularly good representaton of the 'real' cost, as different manufacturers have different pricing structures for low volumes, and different distributour discounts.

mikeselectricstuff
  • 10,683
  • 34
  • 34
  • But surely the other components have to be assembled, packaged, tested and approved as well. I think my comparison is fair; just different components, all other things equal. – stevenvh Dec 05 '10 at 12:40
  • "and don't call me Shirley". Yes, it crossed my mind as well :-) – stevenvh Dec 05 '10 at 13:18
2

I would guess that probably the MOC+triac combination is so good and cheap that almost nobody wants to buy the packaged version (maybe someone with very restricted board area but I am not sure if the SSR is much smaller). It is expensive to manufacture such components in low volumes.

jpc
  • 5,302
  • 1
  • 25
  • 45