12

I want to switch ON and OFF an incandescent bulb using MCU. Please suggest an electric switch (like relay or something) for 220V 50Hz AC line which can be used here. I would prefer something very cheap to keep the total project cost minimum.

EDIT: Don't limit this to incandescent bulb. The solution should be applicable to every daily life electrical appliances.

0xakhil
  • 2,245
  • 7
  • 35
  • 33
  • 1
    http://electronics.stackexchange.com/questions/8929/switching-a-kettle-on-off-using-a-arduino http://electronics.stackexchange.com/questions/14077/arduino-home-light-dimming – endolith May 21 '11 at 13:20
  • @stevenvh @leon- I am a bit confused between the solutions provided by both of you. I am going for relay solution because I think it is simpler and cheaper and it will serve my purpose. – 0xakhil May 22 '11 at 08:36

3 Answers3

11

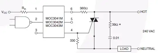
The best solution for an incandescent lamp is a SSR (Solid State Relay) with zero-crossing detection. (Zero-crossing switching increases the bulb's life.) An SSR module is the most convenient, but they're not cheap. If price is an issue you can better build the SSR from discrete components. Below is an example using the MOC3041 as opto-triac.

enter image description here

edit
Despite Leon's comment this is an inexpensive solution. In this thread I calculated the cost as 2.10 euros; an electromechanical relay (+ transistor, diode, ...) often costs more.

stevenvh
  • 145,832
  • 21
  • 457
  • 668
  • He wants something very cheap! – Leon Heller May 21 '11 at 11:10
  • Please explain how SSR enhances a bulb's lifespan? – 0xakhil May 21 '11 at 18:07
  • 10
    @oxakhil - It's not just the SSR, it's the zero-crossing switching. You may have noticed that incandescent bulbs always fail when they're switched on. That's because the mains phase can be near its maximum when switching on. Combined with the low resistance of a cold bulb this results in a high current peak, which may burn the filament. When you switch on a zero crossing you avoid these peaks. – stevenvh May 21 '11 at 18:20
7

The cheapest solution is an ordinary mains relay with normally open contacts. Put the bulb in series with the contacts and the mains supply, and control it with a low voltage on the relay coil. Relays with coils that can be switched with the output from an MCU are readily available. Don't forget to put a diode or snubber across the relay coil. If you use a transistor driver, you can probably use a very cheap, less sensitive relay.

Leon Heller
  • 38,983
  • 2
  • 62
  • 96
0

Gembird Power manager They exist for USB, ethernet, WLAN. To easily control electronic appliances from your PC.

jippie
  • 33,221
  • 16
  • 95
  • 161