1

I have come across this circuit for an XOR gate (see below) using 12 transistors in CMOS technology. I am having trouble understanding the circuit, mainly in identifying the logic gates.

I know that an XOR can be made using a NAND, an OR and an AND (see example below). But there are other alternatives, and perhaps this circuit is implementing other logic I can't identify. As some other users already suggested, perhaps this implementation uses transmission gates (an example is also presented below)

Can someone help me? Perhaps the circuit can be rearranged to make more sense to me.

enter image description here

enter image description here enter image description here

TonyM
  • 22,898
  • 4
  • 39
  • 64
Granger Obliviate
  • 1,403
  • 11
  • 30
  • 1
    Note that there are ways to make an XOR gate using transmission gates instead. This isn't that, but your statement that "a XOR is made using a NAND, an OR and another AND" is not always true. – Hearth Nov 11 '23 at 19:45
  • @Hearth: "... make an XOR gate using transmission gates instead. This isn't that, ..." Actually, this is exactly that. If you look closely at the node names, M5 and M11 form a transmission gate between A2NN and ZN. – Dave Tweed Nov 11 '23 at 21:00
  • 1
    But this circuit is not correct anyway. The transmission-gate XOR normally has only 6 transistors. The circuit shown in the first diagram above will short the power supply when A1 is low and A2 is high. – Dave Tweed Nov 11 '23 at 21:14
  • @DaveTweed thank you for the clarification but this circuit does need to have 12 transistors. Can you please clarify what you mean about the supply being shorted? – Granger Obliviate Nov 11 '23 at 21:44
  • 1
    Your image is very fuzzy, but if I'm reading it correctly, A1 low turns on M8, while A2 high simultaneously turns on M3. – Dave Tweed Nov 11 '23 at 21:58
  • @GrangerObliviate - Hi, In order to comply with the Stack Exchange rule for referencing, please [edit] the question & add a link to the webpage / PDF / video etc. which was the original source for each image that is not your own - which appears to be the two logic gate diagrams currently (and please remember it's your responsibility to include required references to comply with that rule in future). Thanks. – SamGibson Nov 12 '23 at 00:13
  • @DaveTweed So they do--I didn't even notice that. It's not a very usual way to draw a transmission gate! – Hearth Nov 12 '23 at 16:28

1 Answers1

4

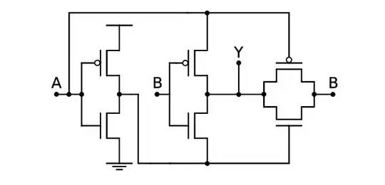
The transmission-gate XOR should have only 6 transistors:

6-transistor XOR schematic

source

It works as follows:

  • If A is high, then the transmisison gate (the two transistors on the right) is cut off. The inverter in the middle is operational, and drives the output to be "not B" — i.e., B XOR 1.

  • If A is low, then the inverter in the middle does not work, but the transmission gate connects B directly to the output — i.e., B XOR 0.

And just for completeness, the standard CMOS 12-transistor XOR gate looks like this:

12-transistor XOR schematic

source

Dave Tweed
  • 172,781
  • 17
  • 234
  • 402