RTL isn't too difficult, but that doesn't mean it's trivial either. If you want, take a look at two of my answers: (1) building a full adder; and, (2) nand with led. But in those cases I decided to keep things really simple and not to actually do a serious design. You've mentioned RTL. So let's attempt an RTL design here.
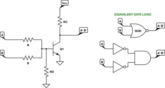
Let's start out looking at the following example taken from one of my earlier posts:

simulate this circuit – Schematic created using CircuitLab
We will need to decide upon a range of input voltages which are to be considered a logical "0" and another range of input voltages which are to be considered a logical "1". Obviously, these ranges should not overlap and probably should have a gap between them.
Before we go there, though, the above circuit presents a design problem. If we assume that both inputs (A and B) are at the highest allowable input voltage that is still considered a logical "0", then it's pretty clear that there will also be some small base current present and that this current will be amplified by the \$\beta\$ of \$Q_1\$ to become a possible collector current pulling down the collector voltage. This makes the circuit far less designable, especially because the value of \$\beta\$ varies over parts even within the same family. We need something present to make the circuit less dependent on the value of \$\beta\$. (We'll also need something to also make the circuit less dependent on the variations of saturation current [which affects \$V_{BE}\$], too. But that will shake out in the process.)
A way of achieving this is to add a resistor from base to ground (or some even lower voltage.) Something like this:

simulate this circuit
(I've shown this circuit with \$R_{D}\$ going to ground. A design could also consider the idea of tying it down to a negative rail. But there's no need, for now.)
The above circuit, with the added \$R_{D}\$ base resistor, greatly improves things as it allows us to divert small base currents away from the BJT. It provides an additional degree of design freedom that we'll find useful to have.
So. Let's design RTL!
We'll start by assuming a single voltage rail of \$V_{CC}=5\:\textrm{V}\$. Let's also say that a LOW is considered to be any voltage from \$0-1\:\textrm{V}\$ and that a HIGH is considered to be any voltage from \$3-5\:\textrm{V}\$. So, \$V_{LO_{MAX}}=1\:\textrm{V}\$ (obviously, lower is better) and \$V_{HI_{MIN}}=3\:\textrm{V}\$. Let's also say that you want the output to be able to drive up to six inputs at a time. (It is very important to set down some rules like this if you are going to design something.)
For a design, we need to figure out the worst case situations and design for those cases. (If we do that, the rest will only be better.) The two worst possible cases are:
- Where the two inputs are at \$V_{LO_{MAX}}\$ and the output can't be allowed to sink below \$V_{HI_{MIN}}\$ when faced with a full load of six inputs. (These additional inputs will try and drag down the output and we need to make sure that the output can't be dragged below \$V_{HI_{MIN}}\$, even then.)
- Where one of the inputs is at \$0\:\textrm{V}\$ and the other one is at \$V_{HI_{MIN}}\$ and where the output must be forced below \$V_{LO_{MAX}}\$ without any other output loading added. (Without added inputs, the transistor must by itself be able to pull down the output below \$V_{LO_{MAX}}\$. Adding loading would only help and we want a worst case situation where there isn't any added help.)
To address these details, I'm going to haul in a few things I know about small signal BJTs. Roughly speaking, their collector currents will increase by a factor of 10 for each \$60\:\textrm{mV}\$ change in \$V_{BE}\$. (Taking into account some reasonable thermal variations, each factor of 10 might be for anywhere from \$50-70\:\textrm{mV}\$ change in \$V_{BE}\$.)
I want \$Q_1\$ to be very close to OFF in case (1) above, setting \$R_C\$ low enough in value that it can pull up six input loads without letting the collector sink below \$V_{HI_{MIN}}\$. This means that the base voltage must be low enough to achieve that OFF state. I also want \$Q_1\$ to be very close to ON in case (2) above. This means that a slight change for one of the inputs, merely going from \$V_{LO_{MAX}}\$ to \$V_{HI_{MIN}}\$ (just \$2\:\textrm{V}\$ change), while at the same time the other input tries to oppose this change by itself going from \$V_{LO_{MAX}}\$ to \$0\:\textrm{V}\$ and dragging down against that meager rise, should be enough to cause \$Q_1\$ to go from OFF to ON.
I've stayed completely away from deciding resistor values up to this point. But now I'm going to pick a value for \$R\$ and base everything else upon that choice. I'm going to set \$R=39\:\textrm{k}\Omega\$. You can choose something else, if you want. I'm just picking it to keep the power supply current semi-low.
For a small signal BJT, it's roughly the case that collector currents will be in the tens of nanoamps if I can keep \$V_{BE}\lt 400\:\textrm{mV}\$. And those kinds of collector currents are low enough that I can consider the BJT to be OFF. Similarly, if I allow \$V_{BE}\$ to be twice as large, then the collector current will be \$10^{\left[\frac{800\:\textrm{mV}-400\:\textrm{mV}}{60\:\textrm{mV}}\right]}\$ times as much, or about 4 million times!! Or, well into the tens of milliamps. I think I can consider that to be ON. (Even with thermal issues taken into account, it should be a factor of 500k and still in the milliamp range, regardless.)
So, let's say I want the Thevenin voltage to be lower than \$V_{TH_{OFF}}=400\:\textrm{mV}\$ for OFF and to be about twice as much, or around \$V_{TH_{ON}}=800\:\textrm{mV}\$ for ON. The equation is:
$$V_{TH}=\frac{V_A\cdot R_D+V_B\cdot R_D}{R+2\cdot R_D}$$
This solves out for case (1) above as:
$$R_D\le\frac{V_{TH_{OFF}}\cdot R}{2\cdot\left(V_{LO_{MAX}}-V_{TH_{OFF}}\right)} = 13\:\textrm{k}\Omega$$
However, for case (2) above, it's:
$$R_D\le\frac{V_{TH_{ON}}\cdot R}{V_{HI_{MIN}}-2\cdot V_{TH_{OFF}}} = 22\:\textrm{k}\Omega$$
I'll use the standard value of \$R_D=18\:\textrm{k}\Omega\$.
The only thing left to do is to worry about \$R_C\$. Here, it needs to be strong enough (lower valued is stronger) that it can pull up six loads when \$Q_1\$ is OFF and weak enough that when \$Q_1\$ is ON that it drops enough voltage to allow the collector to fall below \$V_{LO_{MAX}}\$.
When \$Q_1\$ is OFF and loaded as indicated in case (1) above, then:
$$R_C \le \frac{R\cdot\left(V_{CC}-V_{HI_{MIN}}\right)}{6\cdot\left(V_{HI_{MIN}}-V_{TH_{ON}}\right)}\approx 5.9\:\textrm{k}\Omega$$
I'll set \$R_C=4.7\:\textrm{k}\Omega\$ as a standard value. It turns out that this is also good enough that if so much as \$I_C\ge 1\:\textrm{mA}\$ that we'll also meet the requirements for case (2), as well. So we are done.
Here is the resulting circuit design:

simulate this circuit
Given the above, I figure \$V_{TH_{OFF}}\le 480\:\textrm{mV}\$ when both inputs are at \$V_{LO_{MAX}}\$ and that \$V_{TH_{ON}}\ge 720\:\textrm{mV}\$ when one input is at \$V_{HI_{MIN}}\$ and the other is at ground. This should provide enough margin for reasonable operation.
I think you will find that this works well with up to six loads on the output and works over the ranges I've discussed.
The following image shows four traces covering case (1) and case (2) above, with the output both loaded and unloaded. The x axis is the voltage on the A input, or \$V_A\$. The y axis is the output voltage. The unloaded curves are labeled starting with "U" and the loaded curves are labeled starting with "L". The traces with \$V_B=0\:\textrm{V}\$ are labeled with "0V" and traces with \$V_B=1\:\textrm{V}\$ are labeled with "1V" in their names.

Fuller adder here:
