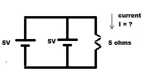
Ideal circuits with two voltage sources in parallel lead to contradiction, unless they are equal and can be simply replaced with a single one. Note that potentials \$ \varphi_1 \$ and \$ \varphi_2 \$ in your circuit must be equal, since there is no impedance of any kind between them, nor do ideal voltage sources have any internal resistance:

In your case, luckily, these sources produce the same voltage, so the simplest thing to do is to simply remove one of them from the circuit. If you had two ideal sources of a different voltage in parallel, that would lead to contradiction.
In a real circuit, connecting two sources in parallel would lead to a circuit with a very small, but still non-zero resistance between them, which would result in one of the sources (the one with a slightly lower voltage) actually sinking current, but the current through the 5 ohm resistor would only depend on the voltage of the right source.
If you want to put some actual numbers, you can try something like this:

Note that if the sources are again ideal and have completely equal voltages, there will still be no current flowing through the tiny resistance between them, but you should be able to apply the superposition principle.
For a circuit like this, the mesh current method should provide the simplest solution and show that the current through the resistor only depends on the right source.