I'm working on a project that involves displaying the following words on three 7-segment -displays.
- A S U
- F O E
- C S E
- F U N
Each word should transition to the next after a one-second interval (I know how to implement this).
I made it by creating a truth table for each display and implemented it using logic gates. For instance, inputting 00 to the 3 displays results in showing "A S U," inputting 01 shows "F O E," and so on.
However, I believe there might be a more efficient, less cluttered approach to have a set of characters on each screen, without using EPROM or microcontrollers.
All suggestions would be incredibly valuable to me, especially since this is my first experience with electronics!
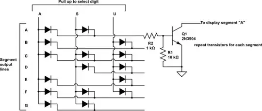
Here are my circuits, where each display has a set of characters:

Here's the schematic for the first display, where it has a set of characters (A,F,C,F) that it shows depending on the input value:
00: A
01: F
10: C
11: F



