If you're a professional electronics designer chances are that your boss won't even let you do it in hardware. The reason is simple: if your production batch is large enough software is virtually free, while hardware has to be paid for for each unit you produce. And while resistors and capacitors are dirt cheap, mounting them on a PCB may cost up to 20 times their purchase price.
Whether you debounce in software or in hardware, you still have to select quality pushbuttons. The infamous 157ms button from the article is simply not fit for any application.
I usually sample the button at 32ms intervals, which is enough to bridge the debounce time of any good button. I'm quite a fan of the Alps SKQG TACT Switches.

On the few devices I tested it had an initial bounce time of less than 10ns. While it has an operating life of 100 000 cycles we tested it for 200 000 cycles and even then the 32ms debounce was sufficient. (I guess I should have measured the actual level of debounce, but our main interest at the time was the final product's behavior. Anyhow, we were using it out-of-spec.)
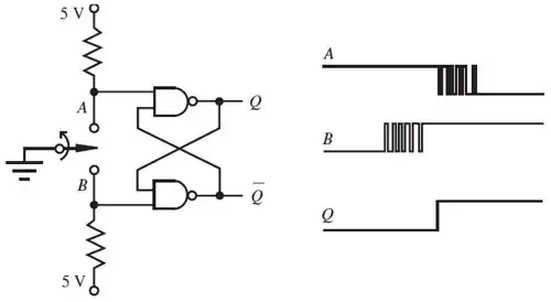
If you really want a hardware solution I second the SR flip-flop solution mentioned in the article as the technically best solution:

The flip-flop can be constructed with a dual NAND gate, which is available in a small VSSOP8 package, for instance. The major drawback of this solution is that you need a SPDT pushbutton, where SPST is much more commonly available.