4

I'm working on restoring an old ATV, and I'm having a bit of trouble with the wiring. When I got the ATV it was missing the ignition switch, so I decided to replace it with this awesome looking switch instead.

12V switch

Which I'm guessing, internally looks something like this...

Switch internal

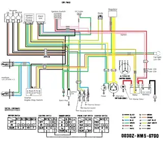
After looking at the wiring diagram, I've figured out how to connect the switch.

ATV wiring diagram
Click for larger view

When I install the switch like this, the ATV powers up.

Switch Connected No Ground

However, when I ground the switch so the LED will light...

Switch Connected With Ground

The fuses blow.

If I don't connect the ground and I connect the pink and black wires to the switches Ground terminal, the LED lights but the ATV is not powered up.

How can I connect the switch so that it turns the ATV on, and the LED on the switch itself also lights?

Tester101
  • 207
  • 1
  • 4
  • 8
  • What happens if you don't tie Bat3 to Bat1, and Bat4 to Bat2? I think that may be the problem. – Passerby May 11 '13 at 04:58
  • I've tried that as well. That's how I originally started out, simply making contact between red and black. – Tester101 May 11 '13 at 12:14
  • I mean that Bat 3 and 4 should be switched, but separately. Those seem to be the accessory lines. Like a car has off, acc/on, and starter. If you use two switches, one for bat1/2 starter, and bat3/4 accessories. Switch the accessories side on first, then the starter switch. – Passerby May 11 '13 at 20:40
  • @Passerby It's not like a car, the "ignition" switch is not used to start the ATV. It's simply an antitheft device, that has to be ON for the ATV to be started. The ATV is stated using a start button (which uses the starter motor to crank the engine), or a kick start (which uses the power of your leg to crank the engine). – Tester101 May 13 '13 at 12:12
  • Where is the switch's ground terminal? I do not see it in the diagram. – Bobbi Bennett May 20 '13 at 13:55

3 Answers3

4

You need a resistor between the LED pin and ground. Try anywhere from 220 to 1K ohm. The LED, being a type of diode, will allow as much current as it can if directly connected from power to ground.

If it blew a fuse, it's possibly blown the LED too... but you may be lucky.

darron
  • 3,511
  • 2
  • 30
  • 42
  • 1
    Not necessarily true, a lot of these types of switches have an internal resistor. There's no mention on the page/spec of needing one, and the 12v rating suggests it is designed as such. – John U May 10 '13 at 14:18
  • I had the same thought (but as John U mentions), I expected the switch to have one built in. The LED is still in good working order. Is there a way to figure out exactly (or nearly so) what size resistor I need? – Tester101 May 10 '13 at 14:37
  • 1
    Well, given it blows a fuse when plugged in that way I think it's safe to assume that either it doesn't have a built in resistor or your guess as to the pinout is incorrect. (Not sure how else it would work, though). Just try a few resistors... 200 and 1K would be a good start. – darron May 10 '13 at 15:46
2

Since the switch description does not mention an LED, I suspect this is an SPDT switch, with no LED, so the third terminal is one of the switch contacts. If so, you should not make any connection to the third contact.

You should be able to test this with an ohmmeter - measure the resistance between the center contact and either side contact, with the switch in both positions.

Peter Bennett
  • 59,212
  • 1
  • 49
  • 132
  • If I was looking for an illuminated switch... that's not the one I would order.. It's not as cool but this one http://www.radioshack.com/product/index.jsp?productId=3112835&locale=en_US will light up given the right connections... – Spoon May 10 '13 at 23:02
  • He mentions that he has been able to illuminate the LED – DrFriedParts May 11 '13 at 01:02
  • The "Technical Specifications" tab says SPST. – Kaz May 11 '13 at 01:37
  • I later looked at some of the reviews of that switch, and see that it does indeed have a LED - however, some reviewers say they managed to use it as SPDT - I don't know how that can be done if it has a LED (I think someone claimed it could be used as DPDT, which isn't possible with only three contacts...) – Peter Bennett May 11 '13 at 06:24
2

There is no google-able technical info for this switch, but if you read the customer reviews on the RadioShack site, you can find a few clues.

(Firstly, it's worth to pay attention to the negative reviews about how the switch has weak plastic housing, plastic threads, and wears easily. One reviewer advises against automotive or marine use.)

User "Ridgeline" from Washington, DC wrote this:

I needed to find a switch for the amplifier in my car, so i could turn it off and on when i want, this worked perfectly, only thing it had no instructions and i haven't wired anything in 5 years. But i got some help from some friends, "POWER" goes to power (duh), "ACC" goes to whatever it is you trying to turn on with the switch, "GROUND" goes to ground (i just tied it to a bolt on the car)

The issue doesn't appear to be that the switch needs a resistor in series with the LED. User "TJ N" from New Jersey writes the following, without any mention of a resistor:

The LED appears to be a true 12V LED, and I have taken it up to 18V without it burning out.

The wiring concept looks okay, except for the small problem that you're combining the ignition circuit with the accessory circuit. They have separate supplies (Bat1 and Bat3; red, and pink with grey stripe) with separate 15A fuses, but you've turned them into one big 30A circuit.

Be that as it may, the problem here, I suspect, is this:

When I got the ATV it was missing the ignition switch

The switch isn't there, because someone removed it. That someone possibly removed it while trying to solve an electrical problem, which they were not able to solve, and which you've now made your problem. Maybe grounding the ground terminal of the switch just tickles the problem, or maybe it is just a coincidence. If you only repeated the trial once and blew one set of fuses, that doesn't prove anything. The problem must be reproduced to confirm the hypothesis, otherwise you could waste a lot of time on a distracting, false hypothesis.

As it is, I'm afraid that this question is "too localized".

Kaz
  • 20,006
  • 1
  • 39
  • 83
  • The ignition switch was removed during a failed attempt to steal the ATV. The thief tried to hotwire the ATV, but failed. – Tester101 May 11 '13 at 12:18