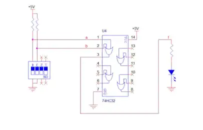
Look at this beautiful circuit simulation, it is in the digital design class document that I received from my teacher.
I want to draw many circuits like that.
What software can I use to draw circuit diagrams like this?
Look at this beautiful circuit simulation, it is in the digital design class document that I received from my teacher.
I want to draw many circuits like that.
What software can I use to draw circuit diagrams like this?
There are any number of programs out there to draw schematics as you show. Many are payware, some are free. From the looks of the horrible resistor, I would venture to guess that this was done in Orcad Capture.
Please don't emulate these diagrams as there things in there which make the schematic harder to read and artistically unbalanced. Some of the icky things are the upside down ground symbol, ground symbol pointing left, non orthogonal wire, 3-2 humped resistor symbol that is stretched out (this was the awful symbol used in Orcad SDT library back in the 1980s and does not fully conform to the symbol used in the IEEE 315 or ANSI Y32.2 standards). Quad gates are generally drawn as separate gates (four individual gates which is a homogeneous part), not all bundled in to a single package since this would create a wiring mess in many circuits.
Please see this post for hints on drawing a nice schematic.
Just a note that when you're writing a question or answer here, you can click the button that looks like this:
to draw schematics. I'm certainly not going to claim it's the greatest program possible for the task, but it can produce results that look at least as nice as those you've shown in the question.

simulate this circuit – Schematic created using CircuitLab
For what it's worth, it can do actual circuit simulation as well.
When/if you want to use it outside of an question/answer here, you can go to https://www.circuitlab.com/.
I take it you're a student. I'm therefore assuming that you probably are operating on limited funds and are not going to pay for commercial software.
KiCAD is free, and it works well for a lot of circuit design tasks. You can generate a conceptual schematic like you have pictured, and then export the list of parts and connections into the PCB design tool. Then you can lay out the physical design of the circuit board and prepare it for fabrication.
I am not an electrical engineer by education or trade, for me it's just a hobby, and I have had a great experience with KiCAD. Some people complain about it, but it is quite capable and you can't beat the price.
