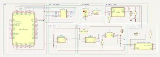
I am new to PCB design. I have been working towards building a relatively small system. I am concerned with the quality and "correctness" of my schematic before I start running the traces and try to prototype this.
The information around the TP4056 landed me on how my battery protection circuit might look. I am not certain if I followed it correctly. This includes my reverse polarity protection circuit.
https://www.best-microcontroller-projects.com/tp4056.html#TP4056_Current_Programming_Resistor
I went with a size 0805 on capacitors and resistors, so I can hand solder the first batch for testing. I read online this is a good size choice for beginners to surface mount.
Did I put the ferrite bead in the right spot? Is it the right bead?
I used 10k ohm resistors on my I2C SDA and SCL signals, because that is what worked on my Teensy 3.5 & 4.1 prototype to make it work. Would this resistor be different?
How do I connect these test points on the PCB software to the BT1 footprint I made for my 3.7V 2400mAh 18650 battery? (This is a Kicad 7 question.)
I have quite a few connection points left on the microcontroller and I am trying to figure out what is left to be done. Do I need to connect my 3.3V to the Vbat pin or is that for a smaller battery for date/time or something?
Does the boot0 pin need to be connected to my JTAG circuit in some way?
I was going to wait to add an oscillator until I knew if my system needed it. Should I add one or does it not matter? How do I know if I need one?
I do not really understand what to do with the Vcap pin. It says "For packages supporting only 1 VCAP pin, the 2 CEXT capacitors are replaced by a single capacitor". Does that just mean, because there is no Vcap_2 a second C_EXT wouldn't be needed? I don't even know if I need this. Am I using the microcontroller's voltage regulator? I thought I had my own. "When bypassing the voltage regulator, the two 2.2 µF VCAP capacitors are not required and should be replaced by two 100 nF decoupling capacitors." Page 61
PCB test points I want to connect BT1 to:

