I would like to connect voltage-mode PHYs with internal terminations back-to-back.
After doing some research, it looks like simple AC coupling caps can work, but it's better to use a transformer, especially for 1000baseT.
The question is: how do I terminate center taps of a transformer?
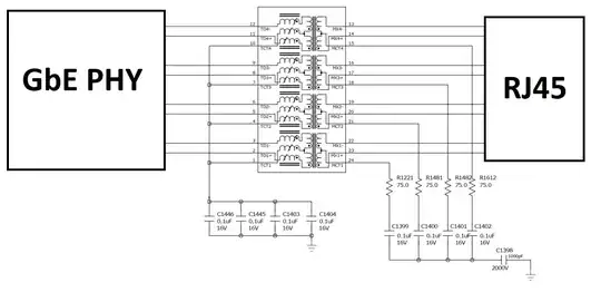
Generally, if I'm connecting a PHY to RJ45 connector, I would add center tap capacitors and Bob-Smith termination like below.
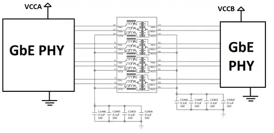
But if I am connecting a PHY to another PHY, do I still need the Bob-Smith termination? Or can I just have center tap capacitors on both sides like below? Both PHYs share same GND but are powered by different rails.


