First, I will present a method that uses Mathematica to solve this problem. I know that this approach is not 'smart' but this method will work all the time, even when the circuit is way complicated than this one.
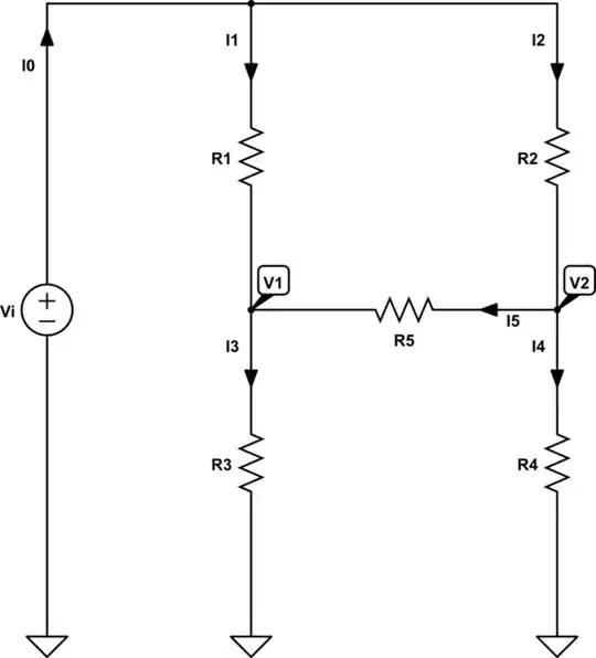
Well, we are trying to analyze the following circuit:

simulate this circuit – Schematic created using CircuitLab
When we use and apply KCL, we can write the following set of equations:
$$
\begin{cases}
\text{I}_0=\text{I}_1+\text{I}_2\\
\\
\text{I}_3=\text{I}_1+\text{I}_5\\
\\
\text{I}_2=\text{I}_4+\text{I}_5\\
\\
\text{I}_0=\text{I}_3+\text{I}_4
\end{cases}\tag1
$$
When we use and apply Ohm's law, we can write the following set of equations:
$$
\begin{cases}
\text{I}_1=\frac{\text{V}_\text{i}-\text{V}_1}{\text{R}_1}\\
\\
\text{I}_2=\frac{\text{V}_\text{i}-\text{V}_2}{\text{R}_2}\\
\\
\text{I}_3=\frac{\text{V}_1}{\text{R}_3}\\
\\
\text{I}_4=\frac{\text{V}_2}{\text{R}_4}\\
\\
\text{I}_5=\frac{\text{V}_2-\text{V}_1}{\text{R}_5}
\end{cases}\tag2
$$
Using \$(2)\$ we can rewrite \$(1)\$ as follows:
$$
\begin{cases}
\text{I}_0=\frac{\text{V}_\text{i}-\text{V}_1}{\text{R}_1}+\frac{\text{V}_\text{i}-\text{V}_2}{\text{R}_2}\\
\\
\frac{\text{V}_1}{\text{R}_3}=\frac{\text{V}_\text{i}-\text{V}_1}{\text{R}_1}+\frac{\text{V}_2-\text{V}_1}{\text{R}_5}\\
\\
\frac{\text{V}_\text{i}-\text{V}_2}{\text{R}_2}=\frac{\text{V}_2}{\text{R}_4}+\frac{\text{V}_2-\text{V}_1}{\text{R}_5}\\
\\
\text{I}_0=\frac{\text{V}_1}{\text{R}_3}+\frac{\text{V}_2}{\text{R}_4}
\end{cases}\tag3
$$
Now, we can set up a Mathematica-code to solve for all the voltages and currents:
In[1]:=Clear["Global`*"];
FullSimplify[
Solve[{I0 == I1 + I2, I3 == I1 + I5, I2 == I4 + I5, I0 == I3 + I4,
I1 == (Vi - V1)/R1, I2 == (Vi - V2)/R2, I3 == V1/R3, I4 == V2/R4,
I5 == (V2 - V1)/R5}, {I0, I1, I2, I3, I4, I5, V1, V2}]]
Out[1]={{I0 -> (((R1 + R2) (R3 + R4) + (R1 + R2 + R3 + R4) R5) Vi)/(
R3 R4 R5 + R1 R4 (R3 + R5) + R2 R3 (R4 + R5) +
R1 R2 (R3 + R4 + R5)),
I1 -> ((R4 R5 + R2 (R3 + R4 + R5)) Vi)/(
R3 R4 R5 + R1 R4 (R3 + R5) + R2 R3 (R4 + R5) +
R1 R2 (R3 + R4 + R5)),
I2 -> ((R3 R5 + R1 (R3 + R4 + R5)) Vi)/(
R3 R4 R5 + R1 R4 (R3 + R5) + R2 R3 (R4 + R5) +
R1 R2 (R3 + R4 + R5)),
I3 -> (((R1 + R2) R4 + (R2 + R4) R5) Vi)/(
R3 R4 R5 + R1 R4 (R3 + R5) + R2 R3 (R4 + R5) +
R1 R2 (R3 + R4 + R5)),
I4 -> ((R3 (R2 + R5) + R1 (R3 + R5)) Vi)/(
R3 R4 R5 + R1 R4 (R3 + R5) + R2 R3 (R4 + R5) +
R1 R2 (R3 + R4 + R5)),
I5 -> (-R2 R3 Vi + R1 R4 Vi)/(
R3 R4 R5 + R1 R4 (R3 + R5) + R2 R3 (R4 + R5) +
R1 R2 (R3 + R4 + R5)),
V1 -> (R3 ((R1 + R2) R4 + (R2 + R4) R5) Vi)/(
R3 R4 R5 + R1 R4 (R3 + R5) + R2 R3 (R4 + R5) +
R1 R2 (R3 + R4 + R5)),
V2 -> (R4 (R3 (R2 + R5) + R1 (R3 + R5)) Vi)/(
R3 R4 R5 + R1 R4 (R3 + R5) + R2 R3 (R4 + R5) +
R1 R2 (R3 + R4 + R5))}}
Now, we can find:
- \$\text{V}_\text{th}\$ we get by finding \$\text{V}_2-\text{V}_1\$ and letting \$\text{R}_5\to\infty\$:
$$\text{V}_\text{th}=\frac{\text{V}_\text{i}\left(\text{R}_1\text{R}_4-\text{R}_2\text{R}_3\right)}{\left(\text{R}_1+\text{R}_3\right)\left(\text{R}_2+\text{R}_4\right)}\tag4$$
- \$\text{I}_\text{th}\$ we get by finding \$\text{I}_5\$ and letting \$\text{R}_5\to0\$:
$$\text{I}_\text{th}=\frac{\text{V}_\text{i}\left(\text{R}_1\text{R}_4-\text{R}_2\text{R}_3\right)}{\text{R}_1\text{R}_4\left(\text{R}_2+\text{R}_3\right)+\text{R}_2\text{R}_3\left(\text{R}_1+\text{R}_4\right)}\tag5$$
- \$\text{R}_\text{th}\$ we get by finding:
$$\text{R}_\text{th}=\frac{\text{V}_\text{th}}{\text{I}_\text{th}}=\frac{\text{R}_1\text{R}_4\left(\text{R}_2+\text{R}_3\right)+\text{R}_2\text{R}_3\left(\text{R}_1+\text{R}_4\right)}{\left(\text{R}_1+\text{R}_3\right)\left(\text{R}_2+\text{R}_4\right)}\tag6$$
Where I used the following Mathematica-codes:
In[2]:=FullSimplify[
Limit[(R4 (R3 (R2 + R5) + R1 (R3 + R5)) Vi)/(
R3 R4 R5 + R1 R4 (R3 + R5) + R2 R3 (R4 + R5) +
R1 R2 (R3 + R4 + R5)) - (R3 ((R1 + R2) R4 + (R2 + R4) R5) Vi)/(
R3 R4 R5 + R1 R4 (R3 + R5) + R2 R3 (R4 + R5) +
R1 R2 (R3 + R4 + R5)), R5 -> Infinity]]
Out[2]=((-R2 R3 + R1 R4) Vi)/((R1 + R3) (R2 + R4))
In[3]:=FullSimplify[
Limit[(-R2 R3 Vi + R1 R4 Vi)/(
R3 R4 R5 + R1 R4 (R3 + R5) + R2 R3 (R4 + R5) +
R1 R2 (R3 + R4 + R5)), R5 -> 0]]
Out[3]=(-R2 R3 Vi + R1 R4 Vi)/(R1 R2 R3 + R2 R3 R4 + R1 (R2 + R3) R4)
In[4]:=FullSimplify[%2/%3]
Out[4]=(-R2 R3 Vi + R1 R4 Vi)/(R1 R2 R3 + R2 R3 R4 + R1 (R2 + R3) R4)
So, using your values we get:
- $$\text{V}_\text{th}=\frac{3}{10}=0.3\space\text{V}\tag7$$
- $$\text{I}_\text{th}=\frac{3}{22000}\approx0.000136364\space\text{A}\tag8$$
- $$\text{R}_\text{th}=2200\space\Omega\tag9$$