I have a LED in a car and I want to hook up onto it to detect when its on. But voltage for that LED can depend on the intensity of the LED (depends if its night or day). I've measured voltages from 1.8V to 5V. Could I get some ideas how to design a circuit that would detect if there is any voltage on a pin (or detect anything above 1V), then turn it to 5V to be used as logic level high?
First idea was to use some comparator and based on resistor values, trigger it if above 1V is reached on the input. But maybe same can be achieved with simple BJTs? Or use optocoupler? Ideas?
Best regards
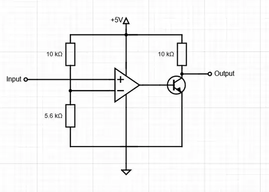
I appreciate your answers, but I bought the LM311 comparator and will go with this design:
Any comments if this is ok or something I should consider with this?



