When I connected an LED to a 3.7 volt mobile battery, the LED started to burn inside with a smell. Even though it lit, there was a burning sound. What might be the cause? Please explain.
-
4Did you use a resistor in series with the LED? – AndrejaKo Feb 10 '13 at 18:36
-
7Try performing some basic research on how to use an LED. You can't just connect any electrical component to a battery and expect it to work. – Phil Frost Feb 10 '13 at 22:08
-
5Additionally, be careful around Lithium batteries. Without the correct protection circuitry they can pose a fire/explosion hazard, especially in the case of a short-circuit. They are designed to be used in specific devices and so the protection circuitry may well be built into the device rather than the battery. – colincameron Feb 11 '13 at 10:33
-
1one more note especially on batteries especially Li/LiPo, the voltage of a LiPo battery is somewhere between 4.2-3.7V depending on charge level – aiao Feb 11 '13 at 18:34
-
Possibly related – Dean Feb 13 '13 at 13:00
4 Answers
You applied too much voltage to the LED, which caused excessive current, which caused it to burn up. Check the datasheet. How much current does the LED want?
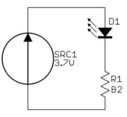
A simple way to limit the current is to put a resistor in series with the LED:

In this example I assumed the LED is rated for 20 mA and that you want to make it about as bright a it can be. Figure a normal green LED drops about 2.1 V. That leaves 3.7V - 2.1V = 1.6V accross R1. By Ohm's law we calculate the value of R1 to allow 20 mA.
R1 = 1.6V / 20mA = 80Ω
I used the first common value above that, which is 82 Ω. You can use a higher resistance if you don't need the full brightness, and a different value will be needed for other than a typical green LED. Red usually drops around 1.8 V, for example. Check the LED datasheet.
- 313,258
- 36
- 434
- 925
The most likely cause of an LED burning is that you supplied too much current to the LED. This can easily happen if:
- You don't include a resistor in series with your LED to limit the current.
- Your series resistor was insufficient to regulate the current to a safe value. (too small)
- The voltage of your battery was higher than you thought.
Most 5mm LEDs can handle about 20 mA. You need to include a resistor that limits the current to that value
- 18,738
- 7
- 64
- 96
-
-
1@akhil - Note that the LED drops some voltage when it is conducting and lighted. The amount of drop across the LED will vary by its color, its type and how much current you intend to have pass through it. You need to take this voltage drop into account when selecting the current limiting resistor. – Michael Karas Feb 10 '13 at 19:12

The following is a current voltage graph of a typical LED. Unlike resistors, which have a linear voltage current relationship, LEDs have an exponential relationship. Which means that after a certain voltage (operation voltage is typically round 2V for small LEDs), the current increases greatly for just a small further increase in voltage.
High current, in itself, for most electronic components is not a problem including LEDs. The problem is the heat .i.e. the component generates a lot of power which it cannot lose to the air around it fast enough, and starts to get hot. For the first few moments the temperature is still low and everything is fine. But if the condition continues the temperature gets high enough to fry the component.
The way we solve this is as Olin mentioned, is to solve by assuming that the voltage drop on the LED is the operation voltage and it is consuming its operating current. The remaining voltage we want to lose to a resistor at this current.
- 531
- 4
- 12
-
It's interesting to note that many LEDs will be damaged but not totally destroyed by moderate-over-current conditions; in many cases, such damage will effectively increase the forward voltage drop of the LED and reduce its efficiency. If one takes an LED that's designed to drop 2.1 volts at its rated current and drives it with a "solid" 3.0 volts, one may end up with an LED that will glow somewhat usably at 3.0 volts but no longer glow much at 2.1 volts. Some cheap LED flashlights seem to use that strategy, but it's not a good idea. Damaged LEDs are inefficient, and may get worse with use. – supercat Feb 11 '13 at 18:13
For sake of completeness, you can also use a constant current source, or a current limiter. These devices work by directly supplying (or limiting) the correct current for an LED rather than using a set resistor and relying on ohms law to limit the resistor.
For a few small LED driven from a fixed voltage it's a bit over-kill, but they're useful if you have a large set of LED's you want to drive, or if you want to be able to precisely tune the brightness/current of an LED, particularly larger high-power LEDs.
These devices come in several varieties, from some which act similar to a variable resistor with negative feedback control to others which are switch-mode and will "pulse" an on/off signal at high speeds.
Whichever method you choose, just make sure you aren't providing too much current to the LED.
- 16,770
- 10
- 56
- 88