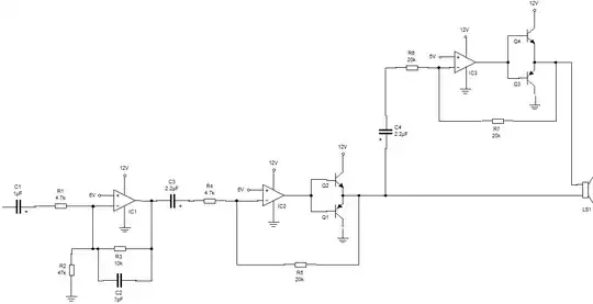
I'm trying to learn electronics on my own. I got this circuit from an old audio amplifier device I had lying around. I'm trying to understand how it works. I have some questions about it. Could you help me?
- This point has a DC Voltage of +6V, and it oscillates in the range of a few mV in response to Audio In. Then the DC offset gets removed by the directly next capacitor. Is all of this correct? What's the point of all of it?
- If I short this capacitor, the amplifier stops working. Why? Current through Audio In is still flowing, right? Is the capacitor there to remove some DC offset?
- I don't think I understand what exactly the op-amps are doing and how they do it. I assume the transistors simply take the heavy work of providing the current needed to drive the Speaker once the input signal is completely amplified.
Edit:
I have redrawn the schematic. Also, I think I found the explanations by experimenting in Falstad Simulator:
- The DC Offset at the output of OA1 is slightly above +6V because of R2; C3 removes that offset. The output of OA1 oscillates by more than a few mV. The job of OA1 is to increase back the voltage of the input, since the input got lowered its voltage by the load it is put through.
- Through AudioIn is the path of least resistance to ground for the output of OA1 to go through, so C1 is there to remove that DC offset.
- Explained in the comments: "OA2 and OA3 are driving the two outputs to be opposite from each other, plus they reduce the effect of the class B outputs."

simulate this circuit – Schematic created using CircuitLab
