13

If \$V=I\cdot R\$ according to Ohm's Law, that implies that \$\frac{\mathrm dV}{ \mathrm dx} = \frac{I \rho}A\$ across an infinitesimal length of conductor, which is constant at all points along the conductor since the current, resistivity, and area of the conductor are all constant.

\$\frac{\mathrm dV}{ \mathrm dx}\$ is also equal to the electric field, which I wouldn't think would be constant at all points along the conductor since E is a function of the distance from a source (e.g., the battery that the conductor is connected to), so I would think that E would change depending on the location of the conductor. This change might be negligible for a short length of conductor, but over long lengths, I would expect it to be significant.

  • So why is the voltage gradient constant if the electric field is not?
  • Or is the electric field somehow constant at all points in the conductor?
Marcus Müller
  • 94,373
  • 5
  • 139
  • 252
Ryan
  • 159
  • 1
  • 5
  • 2
    "... since E is a function of the distance from a source ..." might be your problem. Why do you think that? – Transistor Nov 15 '20 at 21:59
  • 4
    @Transistor while I understand what you are trying to convey (and I agree with that), technically he's right: the electric field is still a function of the distance form the source, but in this case (part of) the source is distributed along the path in the form of surface charge. A bit pedantic, but it might help the OP to know that the field is always the good ol' field he knows. It's just that the superposition of the contributes from several source makes it look constant inside the conductor. Immediately outside, that's another story. – Sredni Vashtar Nov 16 '20 at 04:38
  • 4
    This question would be better suited to https://physics.stackexchange.com/ – Shashank V M Nov 16 '20 at 13:50
  • 2
    "So why is the voltage gradient constant if the electric field is not?" The voltage gradient IS the electric field, with a minus sign though: E=-∇ V – Bart Nov 16 '20 at 14:36
  • What happens if you ask instead, why the electric field in a wire might not be constant? – Robbie Goodwin Nov 16 '20 at 23:45

3 Answers3

31

The key to understanding how the electric field follows Ohm's law in a good but non-perfect conductor, is: surface charges.

When the conductor is connected to the supply, it is initially subject to the electric field generated by the supply's electrodes. Being a good conductor, the (nearly) free charges inside will react to that field by quickly rearranging themselves on the surface of the conductor (very much like they do in the electrostatic case in order to make the field inside zero.)
With cylindrical metallic conductors, you can think of rings of charge, whose density will vary from point to point according to the geometry of the wire. For example, on a straight piece of wire, far away from other sources, two uniformly charged rings of different density will produce and axial field directed form the more positive (least negative) ring to the more negative (least positive) ring, like this:

rings of charge
Source: Chabal and Sherwood's paper cited below

By suitably changing the charge density of these rings along the conductor, the electric field inside can be made to follow the bends of the circuit. Both positive and negative charge gradients work:

bending the field with charge density
Source: "Understanding Electricity and Circuits: What the Text Books Don’t Tell You", Ian M. Sefton

The actual distribution of charges is in general more complicated and the charge density does not even need to be uniform on the same ring, but the principle is that the total internal electric field, superposition of the original field generated by the supply and the field generated by the surface charge, will be directed along the conductor and will have magnitude \$E = j / \sigma\$, where \$j\$ is the current density and \$\sigma\$ is the conductivity of the material the wire is made of.

internal field shaped by surface charge distribution
Source: Chabal and Sherwood's paper cited below

So, to answer your question, the field is constant in magnitude and is directed along the direction of the conductor.

How does the electric field behaves on the surface of the conductor?
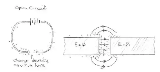
In the electrostatic case, where current does not flow, the charge is distributed on the surface of the conductor in such a manner as to completely neutralize the electric field inside. In this case \$E = 0\$ inside but it is generally non-zero on the surface. Due to the continuity of the tangential component of the electric field at the interface between different materials, the electric field in the electrostatic case can only be perpendicular to the surface. We can see this field configuration when the wire is not completing a circuit and no current is flowing:

open circuit
With the circuit open we are in an electrostatic context: the field inside the conductor is zero, while on the surface it is perpendicular to the surface

When we close the (battery supplied) circuit on a conductor of finite conductivity, the charges on the surface will redistribute themselves very rapidly (with relaxation times) resulting in the establishment of a constant electric field directed along the wire, so that a steady current will flow. The surface charge density will therefore change radically; in particular, in the case of a single resistive wire, there will also be a point along the circuit where the density becomes zero:

charge distribution for open and closed circuit
Variation in surface charge density distribution when the circuit is closed

In this newly established quasi-static condition the field inside the conductor is no longer exactly zero but has the (usually tiny) value \$E = j / \sigma\$ that satisfies the local form of Ohm's law. Since the tangential component of the electric field has to be conserved at the interface between materials, the field on the surface will no longer be exactly perpendicular to it but will change from nearly perpendicular and slightly slanted toward the direction of the current (where charge density is highest) to nearly completely tangential (in the points where charge density drops near-zero levels.)

field when the circuit is closed
(Sources: top - Andre Koch Torres Assis, Julio Akashi Hernandes, "The Electric Force of a Current", bottom - "Understanding Electricity and Circuits: What the Text Books Don’t Tell You", Ian M. Sefton)
When the circuit is close, the field inside acquires a tangential component that follows the wire, making the field at the interface slanted in the direction of positive current.

In general there are different configurations the electric field can assume, according to the actual distribution of charge around the conductor at a given point. In two dimensions, you can encounter the following situations (highlighted by the yellow disks in Muller's simulation shown in the references.)

field at wire surface
While the electric field inside the current-carrying conductor is constant and directed along the wire, immediately outside it can assume different configuration according to the local and nearby distribution of charges

It all depends on the distribution of surface charge, either locally (for example charges tend to accumulate at sharp bends in order to steer the field inside the conductor there) or from nearby parts of the circuit (as shown in Muller's simulation below).

How does the internal field changes from \$E=0\$ to \$E = j / \sigma\$?
You might wonder how the conductor evolves from the condition E = 0 to the condition \$E = j / \sigma\$, so here is a very rough 'still animation' showing a piece of straight conductor located that is not subject to other charges distributions apart from the ring of charges along its length (meaning it's reasonably far from the battery and other sharp bends in the circuits, where surface charge accumulates):

how the constant field is formed during charge redistribution
When we close the circuit, the surface charge on the opposite extremities of the wire recombine and redistribute itself, progressively creating electric field lines inside the conductor that gets straightened out until the field is directed along the conductor

This is just a free-hand sketch, since I do not have links to actual simulations at hand.

References

  • For a qualitative discussion, see Chabay and Sherwood, both their book "Matter and Interactions" and their paper "A unified treatment of electrostatics and circuits" published on the American Journal of Physics.
  • Another didactic article is that written by Ian M. Sefton for the Science and Teachers Workshop 2002: "Understanding Electricity and Circuits: What the Text Books Don’t Tell You". This article also shows the correct direction of the Poynting vector (and should be read by certain youtubers.)
  • There is a book that treats this topic in detail: Andre Koch Torres Assis and Julio Akashi Hernandes, "The Electric Force of a Current: Weber and the Surface Charges of Resistive Conductors Carrying Steady Currents", 2007. Freely available on ResearchGate at this link.
  • For an example simulation see Rainer Muller, "A semiquantitative treatment of surface charges in DC circuits", published on the same journal (Am. J. Phys. 80 (9), September 2012)

enter image description here
Simulation in Rainer Muller's paper (yellow disks added by me): charge density in blue-red, note the field directed along the conductor inside the wires and the accumulation of charge at the discontinuities in resistivity and at the bends in the wire. Also note the slanted field immediately outside the straightest portions of the wire. Since the rings of charge can have non-uniform density, sometimes the field emerges from the surface, sometimes it impinges into it.

  • For a theoretical example, there is a nice exercise on Sommerfeld's Lectures on Theoretical Physics (volume 3: Electrodynamics, p. 125, "Detailed treatment of the field of a straight wire and a coil".)
  • It would be unfair not to mention the 1962 paper where Jefimenko performed experiments with high voltage sources and grass seeds in mineral oil to show the electric field lines around conductors: "Demonstration of the Electric Fields of Current-Carrying Conductors", American Journal of Physics 30, 19

(Also, in my answer here, towards the end, I show how to wrangle Maxwell's equations to explain how charge density, for a given current density, changes according to gradients in conductivity and permeability. This explains why charge accumulate at the surface of the wire and at interfaces with material of different resistivity)

Sredni Vashtar
  • 4,038
  • 2
  • 16
  • 25
  • 7
    Nice. I keep trying to press these concepts here. Most engineers "don't care" how things actually work from a physics perspective. But I find this to be the part which makes electronics more interesting than otherwise. +1 – jonk Nov 16 '20 at 00:01
  • Nicely improved, now, I see. I also very much appreciate Chabay and Sherwood for anyone learning electronics. It is soooooo accessible and it provides some thoughtful insights without getting side-tracked into excessive math. I highly recommend it for non-physics majors learning electronics. – jonk Nov 17 '20 at 01:05
  • @jonk yes, I believe Chabal and Sherwood opened a new road into the teaching of these subjects. Their book is quite interesting: at first sight seems like a book for kids, but their approach to teaching is quite radical. I believe their introductory physics book should be read by all students of physics and engineering. On a side note, I expanded my answer a little bit, expanding the references as well. Unfortunately I did not have any simulation for the evolution of the field when the circuit is closed. – Sredni Vashtar Nov 23 '20 at 00:41
  • 1
    Wonderful. I've not had a chance yet to re-read. But this introduction has long been needed here. I don't recall a single time when I was made to feel that anyone here knew about this (outside of me.) Chabay and Sherwood provide a segue into physics that once was desperately needed. I wish I'd had the book available after graduating HS. I would have had a much easier path. – jonk Nov 23 '20 at 02:28
  • You should write a book @SredniVashtar – tryst with freedom Feb 05 '22 at 18:41
  • Hey Sredni. Your answers are incredible. I wonder if I could get in touch via email for a quick question on learning resources. Mine is gvcallen@gmail.com. Shouldn't take more than a moment of your time – Gary Allen Jun 02 '22 at 15:47
  • @GaryAllen hi, sorry for getting back to you this late, but I no longer contribute to the site. I also have problems in accessing my mail. If by learning resources you mean books, my EM selection is too big to post in a comment. In general a few names stand out: Purcell, Feynman, Hayt, Pollack Stump, Panofski Phillips, Ramo Whinnery vanDuzer, Nayfeh Brussel, Popovic, Cheng... – Sredni Vashtar Oct 07 '22 at 03:48
8

... I wouldn't think would be constant at all points along the conductor since E is a function of the distance from a source (e.g., the battery that the conductor is connected to) ...

You are mixing your physical laws. In a vacuum, given a static electric field, \$\vec E\$ is a function of position with respect to the source terminals, yes.

But In a conductor, current (i.e. electric charge) will flow in response to an electric field. That redistributes charge, which changes the electric field. When you have a circuit that's composed of various bits with resistance, surrounded by a non-conducting vacuum, then the easiest relations to compute is the distribution of voltages in the circuit (according to Ohm's and Kirkoff's laws). You can then deduce the electric field within the conductors if you so desire.

TimWescott
  • 46,144
  • 1
  • 42
  • 107
3

E is a function of the distance from a source (e.g., the battery that the conductor is connected to

no, the battery's distance is completely irrelevant. Thought experiment: Plate capacitor, where your \$E= \frac{\mathrm dV}{\mathrm dx}\$ does hold. You attach that with a cable to your battery. Does it matter at all to the electric field between the plates how long that cable is?

It doesn't.

You need to take a step back and conclude this: When there is an electric field along a conducter, a current will flow! So, if you take a resistive wire and connect your voltage source, and a constant current flows, then yes, it follows that the field strength is the same all along the wire.

Conversely, the same equation that dictates the current flow in presence of a field over a conductor implies the lack of a field if no current flows: for example, if the capacitor from above though experiment is charged to the same voltage as the battery, then no current flows anymore, and you'll also notice that there's no voltage gradient along the wire.

So, all is consistent, but your assumption that the field originates at the voltage source isn't correct.

Marcus Müller
  • 94,373
  • 5
  • 139
  • 252