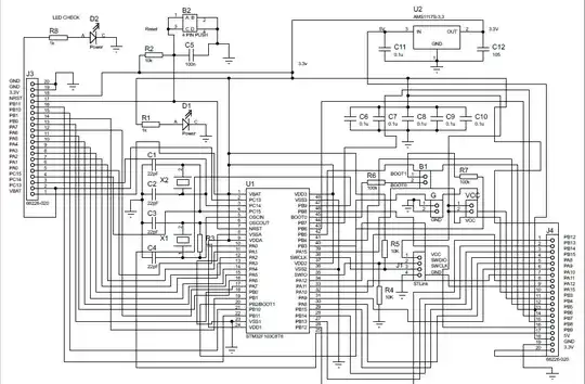
We are designed and printed the PCB of the stm32f103c8t6 blue pill board as per stm rules.. After fabrication and assembly finished, we connect the board to Keil software and device detected and the program also uploaded perfectly... we faced some problems listed below...
1.ADC value varied in the difference of ( + or - 50 ) ..total range is (0 - 4095)
2.we crossed checked the program with stm bluepill ( amazon board )..it works fine...but our pcb boardADC value varied...it means program is good and hardware is something wrong.
3.we removed the crystal oscillator (8Mhz) in our board..ADC value works fine in our board.
Anybody kindly helps me with this problem..?
I have attached below the schematic layout image..



