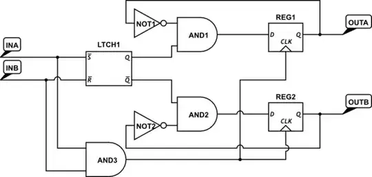
The goal is to implement a circuit in hardware with 2 inputs (A, B) and 2 outputs (A On, B On). An input (button press) toggles it's respective output, but also turns off the other output.
State diagram:
I've tried modifying a T-flop solution from the related question, but I can't get it to work.
Related to: Make a momentary switch control a toggle
EDIT:
- By a button press I mean a transition (positive or negative)
- To clarify the states:
- 'A On' means A is on, B is off
- 'B On' means B is on, A is off
- 'Off' means A is off, B is off
- Off is the initial or reset state


