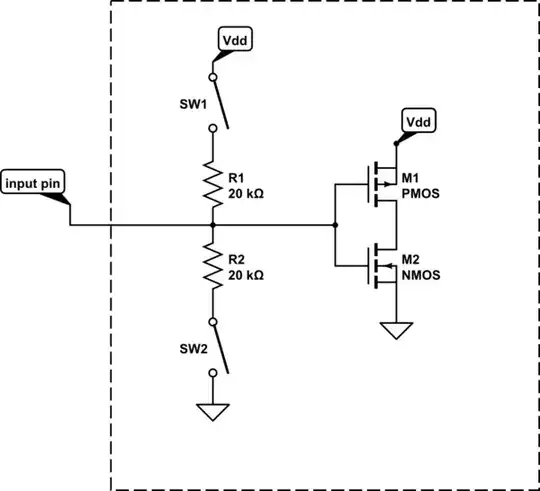
A microcontroller input does not have a weak pull down as you have drawn it (R2). It has a high impedance in the form of a MOSFET gate which should be many megaOhms. There are other parasitic paths to the power and ground rails which would reduce that impedance but I don't know typical values, or even if there are typical values. Seems doubtful.
So there is an "R2" so to speak but it's not necessarily tied to GND. It could be tied to +V. You don't know. In reality there's probably one to both and what voltage it sits at when disconnected at is indeterminant. The way you have drawn it implies that with nothing connected to the input, the input pin will read zero which is not true.
But if you are talking about inputs where an internal pull-down (or pull-up) is enabled your diagram is correct (for a pull-down). I would expect the internal resistance to be no less than 20K typically.
In either case, you can say that all the current flows through the pushbutton but it is because the pushbutton resistance is very low (basically just copper). So "all" the current would flow through the pushbutton if the input resistance was many megaOhms, 20K, or even 100 Ohms. The pushbutton switch resistance is so low it almost doesn't matter what the input's pull resistance is.

simulate this circuit – Schematic created using CircuitLab