2

Can I use two antiseries electrolytic capacitors to create a non-polarized one, and use it as coupling to the input of an audio amplifier?

I know that electrolytics change capacity as voltage and frequency change, but this doesn't really seem like a problem to me. It's just a DC blocking capacitor.

The voltage also through these is very low, the current is microamps, maximum of 2Vrms.

To make sure they had no problems, I measured their intermodulation distortion with the spectrum analyzer. It seems that even using high frequencies (15 and 18 kHz) for the spectrum analyzer there are no differences in terms of THD or noise with a ceramic or polyester capacitor.

Did I miss the test? Or is it totally ok to use electrolytics for input coupling? And what happens if I use only one polarized capacitor?

2 Answers2

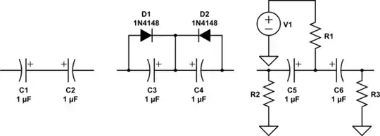
2

There are several ways to use a pair of polarised capacitors as a non-polar capacitor

schematic

simulate this circuit – Schematic created using CircuitLab

The first one relies on each capacitor not being damaged by being reverse biassed, and that any leakage when reverse biased serves to 'pump up' the common node to a higher voltage, so that after a while, each capacitor is forward biassed. I wouldn't recommend this for the health of the capacitors, or for the audio artifacts that would occur during use when the amplitude suddenly increases beyond the bias level, causing more charging.

The second one uses diodes to limit the reverse bias to a diode drop, and to provide a fast charge for the mid point. It's kinder to the capacitors, but I still wouldn't recommend it for audio coupling.

The third one uses an external bias circuit to ensure both capacitors are forward biassed. Some applications may not tolerate these bias resistors, but audio coupling will. Use a bias well above your audio amplitude to ensure forward bias.

Note that many 'golden eared' audiophiles reject polarised capacitors anywhere in the signal chain, but I would use them as coupling capacitors, and most professionals do as well. Any modulation of impedance with voltage will be small, probably unmeasurable. When that's turned into a distortion measurement through interacting with much larger impedances in the amplifier, it's going to be irrelevant. Note that any distortion will be low order, that is, the same type that's present at measurable percent levels caused by loudspeakers and headphones, not the dreaded high order distortion caused by old bad class-B amplifiers. While low order distortion does cause intermodulation, if you can't measure it in the amplifier with a spectrum analyser, it's going to be inaudible, and dwarfed by the intermodulation from your speakers.

Neil_UK
  • 166,079
  • 3
  • 185
  • 408
  • One side benefit of the third arrangement : the capacitor leakage currents flow through R1, giving you an easy way to detect that either C5 or C6 is out of spec. –  Dec 30 '19 at 12:57
  • "so that after a while, each capacitor is forward biassed." That doesn't seem right. The reverse-biased capacitor behaves like a diode, bringing the center node up to almost the same voltage as it is being driven with, but not higher. – endolith May 09 '20 at 02:48
1

Bateman did lots of measurements of capacitor distortion...

https://linearaudio.nl/cyril-batemans-capacitor-sound-articles

Basically electrolytic cap distortion is due to non-linearities inside the cap, so as you'd expect it increases with increasing voltage across the cap.

This means don't use electrolytics in filters (that wouldn't be a very good idea anyway considering the tolerance). However the voltage across a coupling cap remains relatively constant as long as capacitor value is large enough, so electrolytics are fine for coupling.

For example, if you have a 2V RMS signal, a 10µF coupling cap, and a 47k resistor to ground at the input of your device then there will only be 6mV across the cap at 100Hz. According to Bateman this would result in non measurable distortion.

Two polar caps in anti-series perform just as well as bipolar caps, so you can use that without problem (check the 10µF cap measurements in the article linked above). In fact 2 caps in series distort less than one cap since voltage across each cap is halved.

If there is DC across the cap, leakage current can be an issue, that will introduce DC offset in the circuit after the cap, so don't use fancy polymer caps which are optimized for low ESR but have high leakage! Just use good quality electrolytics.

Do not use Class-2 ceramics (X7R, etc) for coupling or filters. They are piezoelectric microphones... and the capacitance varies with voltage a lot. C0G ceramic on the other hand is excellent, ideal for filters, low tolerance, sub-ppm distortion, cheap, but useless for coupling as values available are too small.

Audiophiles love big film caps. They are microphonic and will resonate, the bigger the better. Put a DC bias across it, connect that to the input of an amplifier and knock on it with your fingernail... Thump thump! Some even sound like a gong. So, sure, these will sound "different"!... Electrolytics are not microphonic at all.

bobflux
  • 77,207
  • 3
  • 91
  • 222
  • 1
    A good point about not using them in filters - where of course they 'work' harder into commensurate impedances, resulting in a varying voltage across them. – Neil_UK Dec 30 '19 at 10:57
  • 1
    Plus you get +/- 20% tolerance on your cutoff frequency... – bobflux Dec 30 '19 at 11:10
  • 3
    20%? You were lucky. When I was a boy, you used to get -20% +80%, and had to sleep in a cardboard box in t'middle of t'motorway. – Neil_UK Dec 30 '19 at 11:13
  • "Basically electrolytic cap distortion is due to non-linearities inside the cap, so as you'd expect it increases with increasing voltage across the cap."

    This is wrong. Nonlinearity decreases with increasing voltage - and this applies to nearly all capacitive devices (including stuff like reverse-biased diodes). If you want to minimize distortion, you should apply a large DC bias, much larger than the AC signal. Most of the nonlinear behavior occurs around 0V DC bias.

    – Colin Marcus Dec 21 '20 at 22:27