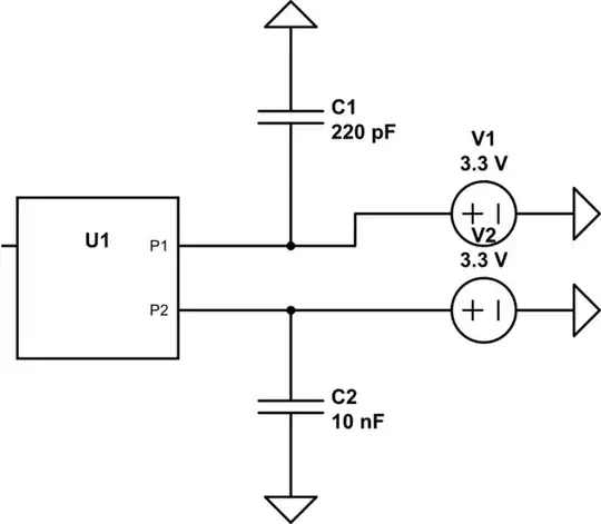
I have design a board on Kicad and now trying to route the tracks. However there is something I don't understand. Different pins on a microcontroller are connected to 3.3V power source through a capacitor or a resistor, like on the schematic below.

simulate this circuit – Schematic created using CircuitLab
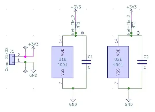
When I then place the components and try to route the tracks, Kicad proposes to connect the pins of the microcontroller to the closest component. For example, if I place C1 in front of P2 and C2 in front of P1, it will tell me to route P1 to C2 and vice versa. It's the same with anything connected to +3.3V on my schematic. I think it's because I use the "+3.3V" symbol of Kicad but is it acceptable ? Or do I have to use a "dedicated" +3.3V label for each pin ?
Thanks :-)


