Hi i am a student & was hoping someone could please clarify on the below.
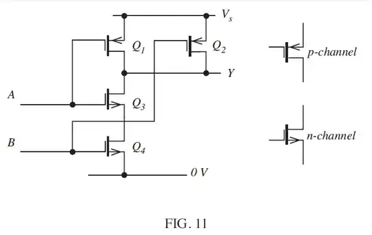
In a section of learning materials for a module I am taking the symbol for the MOSFET is shown and referenced (FIG 11) with respect to a CMOS NAND gate:

All other sources I have come across show the P channel MOSFET with the arrow pointing out on the source terminal & for an N channel MOSFET the arrow pointing into the gate on the source terminal(FIG a).
If anyone could please advise if there is issue with the symbol for FIG 11 as these variants contradict one another. I have searched through other questions on a similar nature to this, but my understanding is that the symbols used in FIG 11 should have a T connector gate rather than L type connector gate in order to adhere to common practice?
