I'm trying to replace the brain of my neato vacuum which is broken.
I've already repair a cleaning MOP but with this one I have a problem with the brushless motor which is throwing some party fun in the circuit.
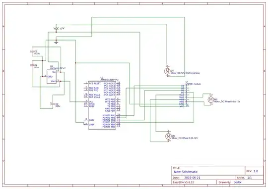
First I was Using the onbord 5v regulator from the l298n module like this:
But when the brushless FAN motor start turning quickly, the Atmega start to hang.
I've tred to use a powerbank to power the IC and it was going well.
I've start to plug a regulator LM7805 on the battery power source, It was really better, but one time or two I have notice a little hang.
How could I filter more the current for my IC? Put others capcitors?
Maybe starting the wheels once the brushless motor speed is stabilized could be an idea? Could use some delay inside the IC before starting?

