So i have to design a board around a dialog SOC (DA14681). The dialog part supports li-ion batteries, it has a charger and fuel gauge and USB detection (to power device in case both usb and dc voltage/li-ion connected at the same time). As part of the requirements, my board should be compatible with an arduino shield (so i need headers that are identical to arduino uno).
This then means i need to add the Vin pin present on an arduino. I will also need to generate the 3v3 and 5V rails. The dialog part generates a 3v3 rail but this is limited to 100mA so will have to generate the rails externally to the chip.
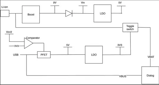
Could i boost the li-ion battery to 9V and treat it as the DC Jack voltage (connected to Vin through a diode?). Leave the rest of the circuitry as would be present on an arduino? Would this circuit work? My concern is that if li-ion is turned on, it will disconnect the USB voltage to the rails (the pfet) but the VBUS voltage will still be present. So the dialog part will be turned on by VBUS (USB) whilst the rails will be turned on by the li-ion.
Would i need protection circuitry for the li-ion (considering there is protection in the dialog part)?
Is there an easier way of doing this?
Sorry for the long question, i will be so grateful for the help or push in the right direction.
Having three voltage sources (li-ion, usb and Vin) complicates things here.