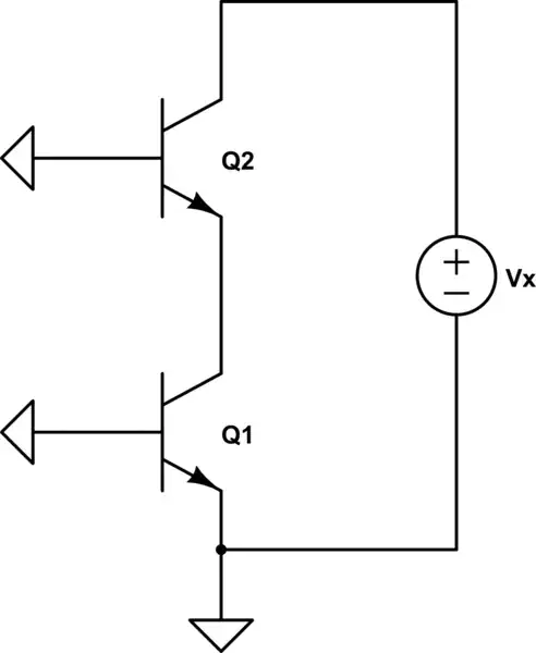
I am being asked to find the output resistance of following BJT cascode amplifier, from "Microelectronic Circuits" by Sedra and Smith, 7th edition, problem 8.80.a on page 588.
Now I decided to simplify the circuit down using the convention of opening the current sources and shorting the dc voltages to ground. Afterwards, I used the equivalent T-model to find the output resistance. I utilized the fact that the output resistance of Q1 is r_o already. Therefore, to find Ro my circuit would simplify to the following:

simulate this circuit – Schematic created using CircuitLab
Here is my analysis \begin{equation} \\KVL\quad outer\quad loop\\ v_o=r_o\left(i_o+g_mv_{\pi }\right)+r_oi_1\\ now\quad i_o+g_mv_{\pi }=i_1+i_e\\i_e=\frac{g_mv_{\pi \:}}{\alpha }\\therefore\quad i_1=i_o-\frac{g_mv_{\pi \:\:}}{\beta }\\now\quad substituting\quad v_o=2r_oi_o+r_og_mv_{\pi \:}\left(1-\frac{1}{\beta }\:\right) \end{equation} Here utilizing the outer loop of ro and re, we get: \begin{equation} v_{\pi }=r_oi_1\\v_{\pi }=r_o\left(i_o-\beta g_mv_{\pi }\right)\\Therefore\quad\\v_{\pi \:}=\frac{r_o}{1+r_o\beta \:g_m}i_o \end{equation} Now using these relationships and substituting, we get \begin{equation} R_o=\frac{v_o}{i_o}=2r_o+\frac{r_o^2g_m\left(\beta -1\:\right)}{\beta \left(1+\beta \:r_o\:g_m\right)} \end{equation} Here, am using the following values for the parameters: \begin{equation} V_A=5,\:\beta =100,\:I=0.1mA \end{equation} Unfortunately, am using these values and am coming up with a 100.5K ohms. I know there is something wrong with my analysis, because the answer should come out to 3.33M ohms. but I can't figure out what it is. Can somebody please point me to where the mistake is in my analysis. Thank you.
** Also, the transistors are matched, parameter values are the same for Q1 and Q2



