0

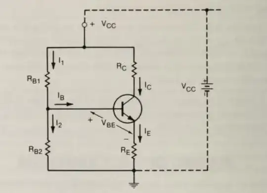
I was reading about thermal runaway caused by Icbo in a BJT, and seems I understand how the temperature increases Icbo then in turn Ic and Ie. But I also read that the biasing circuit's emitter resistor Re provides some negative feedback by decreasing the base current Ib and doesn't let Ic to go crazy.

enter image description here

So basically what I read says: when Ic and so Ie increases the voltage at the emitter terminal Ve increases. This leads a decrease in Vbe.

But for Vbe to decrease Vb must be constant.(?)

But if we think of the other way around I mean if we change the value of Rb2 and change the voltage at the base terminal Vb then we take Vbe remains constant. Isn't it? But the change in Ve doesn't keep Vbe constant.

So my question is. Is the change in Vbe possible only in one way? I thought that Vbe always a constant in linear region for DC analysis.

For example when we try to find Ib for no signal (DC) situation, we say:

Ie = (Vb - Vbe)/Re

Here we say Vbe is constant around 0.7V even Vb changes.

But going back to my thermal runaway question in this case change in Ve doesn't keep Vbe constant and increase Vb, instead it decreases Vbe and keeps Vb constant.

Can someone explain this? I hope I could explain where I'm stuck at.

Basically in linear region for this circuit a change in Vb will not change Vbe, but a change in Ve will change Vbe?

Edit:

Can it be explained by using the equivalent circuit for this circuit?

user1245
  • 4,125
  • 4
  • 38
  • 95
  • 1
    It's a circuit! With resistors and a rather interesting device called a BJT present in the circuit, nothing is "constant," per se. The BJT has a complex array of non-linear behaviors for which quite sophisticated models have gradually been developed and tested. What actually takes place isn't simple. But that doesn't mean you can't approach this in pieces to "get a feel" for what's dominant in any given situation. But the main thing here is not to imagine there are "bright lines" and that what's more important will depend a lot on the circuit itself and what's supplying it and loading it. – jonk Apr 01 '18 at 21:38
  • The reason $V_\text{BE}$ is often treated as a constant is because few circuits "control" it. The collector current is an exponential function of it. Conversely, $V_\text{BE}$ will be a logarithmic function of the collector current. Which is mostly why it is considered "constant." It might vary $60:\text{mV}$ for a 10-fold change in collector current. That's not a lot of change. So once you roughly know the operating point, it usually doesn't move more than about $\pm 50:\text{mV}$ during operation. (Class-B/AB quadrant being an exception during about half the cycle.) – jonk Apr 01 '18 at 21:41
  • @jonk After reading your comment I can make sense why we treat Vbe constant. It is then most importantly Vbe is a logarithmic function of the Ic. So a small change in Ic will not change Vbe much... But I'm also stuck at the negative feedback operation by Re with increase in Ic and so Ie*Re. When Ic increases I can understand Ie and hence Ve increases. So far so good. After this point I have a problem. How things are happening causally like step by step and at the end Vbe decreases. Vbe = Vb - Ve. For Vbe to decrease Vb must be held constant. Why do we treat Vb as constant? (A diagram helps.) – user1245 Apr 01 '18 at 22:41
  • I'll take a shot. Hopefully, it will help. – jonk Apr 01 '18 at 23:33
  • Yes - the degeneration action of RE works best when VB is kept constant (that means: Independent on the unknown value of Ib=Ic/beta, because beta is varying very much). However, for VB to be kept constant (stiff) the base voltage divider has to be very low-resistive. This is bad because of power consumption and (more important) with respect to the overall input resistance. hence, a trade-off is necessary which leads to the following rule of thumb: We design a base voltage divider which allows a current of app. 10*IB. – LvW Apr 02 '18 at 16:56

3 Answers3

2

If you assume you are in the active region of the BJT and not saturated (reasonable for this topology if you assume a rational designer existed), then a much simplified model for the BJT exists (ignoring the Early Effect):

$$I_\text{C}=I_\text{SAT}\cdot\left(e^\frac{V_\text{BE}}{\eta \:V_T}-1\right)\label{ic}\tag{Active Mode}$$

where,

$$V_T=\frac{k\: T}{q}\label{vt}\tag{Thermal Voltage}$$

For small signal BJTs (and many not-so-small-signal BJTs), it's usually the case that \$\eta=1\$. \$V_T\$ and is the thermal voltage -- a profoundly important physics concept. It's approximately \$26\:\text{mV}\$ at room temperatures. You can derive much from the above equation.

But one thing you cannot get from the \$\ref{ic}\$ equation is the temperature behavior of \$I_\text{SAT}\$. For that, you need to review what I wrote on some BJT characteristics for a few more details. But roughly speaking:

$$I_\text{SAT}\left(T\right)=I_{\text{SAT}_{T_{nom}}}\cdot\left[\left(\frac{T}{T_{nom}}\right)^{3}e^{\frac{E_\text{g}}{k}\cdot\frac{T-T_{nom}}{T\cdot T_{nom}}}\right]\label{isat}\tag{$I_\text{SAT}$}$$

(For the terms used here, review this link: some BJT characteristics.)


So what matters?

  • \$V_\text{BE}\$ varies by about \$60\:\text{mV}\$ for each 10-fold change in \$I_\text{C}\$. It increases when the collector current increases and decreases when the collector current decreases. This can be computed entirely from the \$\ref{ic}\$ equation.
  • \$V_\text{BE}\$ varies from about \$-1.8\:\frac{\text{mV}}{^\circ C}\$ to about \$-2.4\:\frac{\text{mV}}{^\circ C}\$. This must be derived by examining all three equations above. Note here that the \$\ref{isat}\$ equation overwhelms the implications of the \$\ref{vt}\$ equation and reverses the sign of the behavior.
  • For small signal silicon BJTs, the commonly accepted operating voltage for \$V_\text{BE}\$ is about \$700\:\text{mV}\$. Broadly speaking, this can be assumed to be nearby with a few milliamps of collector current. You can adjust this value up or down based on the estimated magnitude of change for the operating collector current.
  • For small signal BJTs, there is about a 60% increase in \$I_\text{SAT}\$ for each 1% change in absolute temperature.
  • There is a small "dynamic resistance" called \$r_e=\frac{V_T}{I_\text{E}\approx I_\text{C}}\$ that can be derived directly from the \$\ref{ic}\$ equation.
  • In active mode, the value of \$\beta\$ can be treated as remarkably "flat" for typically at least 3 orders of magnitude change and often for 5 orders or more. It does vary with temperature (and it varies somewhat with \$V_\text{CE}\$ due to the Early Effect.)
  • You can reflect resistances at the emitter backwards to the base by multiplying them by \$\beta+1\$. You can reflect resistances at the base forwards to the emitter by dividing them by the same factor, \$\beta+1\$.
  • \$\beta\$ is a function of temperature and will usually increase with increasing temperature. You cannot compute this variation over temperature with the equations I've provided.

You wanted to know how the emitter resistor helps to counter variations with temperature.

Assume you have an operating circuit. We don't need to know the exact operating point. We'll just assume there is one and that it is set up reasonably well and is working fine and has reached an equilibrium state regarding temperatures.

Now, let's assume that you place your fingers on the BJT and squeeze it to warm it up somewhat. There is a temperature change that takes place. Let's just examine what happens with a \$+1\:^\circ\text{C}\$ change. Let's refer back to our knowledge about the BJT and say that at our operating point the response of \$V_\text{BE}\$ is \$-2.1\:\frac{\text{mV}}{^\circ C}\$. In short, this means that for the same collector current that is currently operating, \$V_\text{BE}\$ should be about \$2.1\:\text{mV}\$ less than it is. Or, put another way, the current operating value of \$V_\text{BE}\$ is about \$2.1\:\text{mV}\$ higher than it needs to be.

Either way you look at it, there's a problem. What's the response?

Well, the BJT's \$V_\text{BE}\$ is too high, so the collector current responds by increasing -- exponentially so. This increase has several immediate effects: (1) The collector voltage drops because the collector load experiences a larger voltage drop; (2) the emitter current increases, as well, and so the emitter voltage rises, too; and (3) the base current rises (assuming \$\beta\$ remains unchanged -- but increasing temperature does increase \$\beta\$ so this effect complicates this part of the answer, though the KVL equation will still work out close if you can approximate the new value for \$\beta\$ at the new temperature), which increases the voltage drop across the Thevenin equivalent of the biasing and therefore lowers the base voltage. In short, the response is that both the \$V_\text{BE}\$ and \$V_\text{CE}\$ get pinched a bit. And this fact counters (opposes) the original change due to temperature.


There are two things to worry about here when the temperature changes. One is the operating point of the amplifier. The other is the gain. I'll examine these more quantitatively now.

Let's examine the operating point first. If you convert the biasing pair of resistors into a Thevenin equivalent, then the base current is:

$$I_\text{B}=\frac{V_\text{TH}-V_\text{BE}}{R_\text{TH}+\left(\beta+1\right)\cdot R_\text{E}}$$

The derivative is:

$$\frac{\text{d} I_\text{B}}{\text{d}\:V_\text{BE}}=\frac{-1}{R_\text{TH}+\left(\beta+1\right)\cdot R_\text{E}}$$

Converting this to a percent change in the operating point makes it:

$$\begin{align*}\frac{\text{d} I_\text{B}}{I_\text{B}}&=\frac{-\text{d}\:V_\text{BE}}{I_\text{B}\cdot R_\text{TH}+I_\text{B}\cdot\left(\beta+1\right)\cdot R_\text{E}}\\\\&=\frac{-\text{d}\:V_\text{BE}}{I_\text{B}\cdot R_\text{TH}+V_\text{E}}\label{pct}\tag{% chg}\end{align*}$$

It's very clear from this equation that from a perspective of operating point stability you'd like \$V_\text{E}\$ to be as large as possible with respect to \$R_\text{TH}\cdot I_\text{B}\$.

The AC voltage gain, as I'm sure you know, is about:

$$\begin{align*} A_V&=\frac{R_\text{C}}{R_\text{E}+r_\text{e}}\\\\ &=\frac{R_\text{C}\:I_\text{C}}{V_\text{E}+V_T}\cdot\frac{\beta+1}{\beta}\\\\ &\approx \frac{R_\text{C}\:I_\text{C}}{V_\text{E}+V_T} \end{align*}$$

For temperature stability of the voltage gain you'd want \$V_\text{E}\$ to be a lot larger than \$V_T\$.

And once again, larger values of \$V_\text{E}\$ tend towards better thermal stability.

So either way you look at it, whether it is the AC gain or the DC circuit operating point, providing more room for the emitter voltage is better for thermal stability. You want the following two things to be simultaneously true:

$$\begin{align*} V_\text{E} &\gg V_T\\\\ V_\text{E} &\gg I_\text{B}\cdot R_\text{TH} \end{align*}$$

The second of these two conditions is the reason why it is important that the biasing pair are stiff with respect to the base current. Making them stiffer improves thermal stability. Making them weaker does the opposite. So keep that condition in mind when designing the biasing pair.


The negative feedback is pretty simple. A rising BJT temperature decreases the \$V_\text{BE}\$ required for the quiescent current. This reduced base-emitter drop allows a slight increase in the base and emitter currents. But these current increases require a slightly increased \$V_\text{BE}\$, again. So the currents rise a little and increase the voltage drops across their associated impedances and meanwhile the \$V_\text{BE}\$ makes back up some of the temperature-related decrease by a current-demanded increase and these things all conspire to meet in the middle somewhere.

Since the currents are exponentially related to the base-emitter voltage changes, most of the real "work" is done through current changes and only a very small part of the thermal \$V_\text{BE}\$ change is made back up. So you can, for most purposes, treat the \$V_\text{BE}\$ change as fixed and therefore uncompensated by current changes and just focus on the current changes that occur.

Looking back at the \$\ref{pct}\$ equation, if you assume a \$-2.1\:\text{mV}\$ change in \$V_\text{BE}\$ for a \$+1\:^\circ C\$ change in temperature, and if the base current is \$5\:\mu\text{A}\$, the Thevenin equivalent \$R_\text{TH}\approx 20\:\text{k}\Omega\$, and the emitter voltage is \$V_\text{E}=1.5\:\text{V}\$, then you'd experience a 0.13% change in the base current (and similarly, the collector current.) So this is pretty stable. But it is stable because the base current causes only a \$100\:\text{mV}\$ drop across the Thevenin equivalent resistance at the base and this is small compared to \$V_\text{E}\$.

jonk
  • 77,876
  • 6
  • 77
  • 188
  • Shouldn't the voltage gain expression looks like this $A_V = \frac{R_C}{R_E + r_e}\frac{\beta}{\beta +1}$ ?But still a great answer. – G36 Apr 02 '18 at 09:00
  • @G36 I probably should have avoided the issue. I multiplied the denominator by $I_E$ to get the new one you see. That meant the numerator also had to be multiplied by the same, which exposed that factor. Do you see that? (Note I took $r_e$ to be based on the emitter current.) – jonk Apr 02 '18 at 09:12
  • OK I see. So you start with $A_V = \frac{R_C}{R_E + r_e}$ and you multiplied the denominator numerator by $I_E$ and $I_E = I_C \cdot \frac{\beta +1}{\beta}$ Yes? – G36 Apr 02 '18 at 09:51
  • @G36 I'm heading off to sleep now and can't read the words as well now, but I think you have it right. – jonk Apr 02 '18 at 09:59
  • @jonk I have a question about what you wrote as: "(3) the base current rises, which increases the voltage drop across the Thevenin equivalent of the biasing and therefore lowers the base voltage." – user1245 Apr 03 '18 at 06:05
  • I understand your explanation. Since Ie and Ic increases, then Ve increases and because also Ib increases, the voltage drop across Rbeq increases and this means Vb(voltage at the base terminal) decreases. So Vb decreases and Ve increases eventually and that means Vbe decreases as a result of negative feedback. Did I get you right? – user1245 Apr 03 '18 at 06:08
  • But in this paper section 6.2 page 161 http://aries.ucsd.edu/NAJMABADI/CLASS/ECE65/06-S/NOTES/transistor-2.pdf The text says Ib decreases and it also takes Vbe as constant when explaining the feedback effect. Is the paper wrong? – user1245 Apr 03 '18 at 06:10
  • page 161 and 162 (where it talks about the negative feedback) – user1245 Apr 03 '18 at 06:18
  • @atomant I think you got me right. At least, my reading of what you wrote sounds about like what I think I was thinking when I wrote what I wrote. ;) – jonk Apr 03 '18 at 06:35
  • @atomant As far as the document goes, I don't want to debate books or papers. They don't argue back and so it is a waste of time. But $\beta$ does increase with higher temperatures and I didn't discuss that behavior when I wrote. So if you assume that $\beta$ doesn't change with temperature, what I said is right. But if you take into account the fact that $\beta$ increases with higher temperatures (and it does), then they are right. The increasing $\beta$ reduces the base current. So you get to decide, I guess. – jonk Apr 03 '18 at 06:47
  • @atomant I just inserted my commentary about that detail. May as well do that and make things yet harder to read and follow, but tending to more accuracy too. Oh, well. Thanks for the note. – jonk Apr 03 '18 at 07:02
0

Since emitter impedance is Rb (equivalent)/ hFE << Re , the emitter voltage in an H bias will “follow” the base Vb, which is why we call the emitter output "emitter follower" So for simple analysis with proper choice of Rb bias R we neglect small changes in Vbe with Ie current at different Vb bias levels.

X >>>> Ib = (Vb - Vbe)/Re ( no that's Ie )

it should be Ib = (Vb - Vbe)/(hFE*Re)

Vbe does control Ic on a log scale with Vce>2V but for linear operation we expect Vbe is 0.65 to 0.7V or perhaps 0.6V in micro-power operation or perhaps >= 1V in pulsed saturation mode Ic/Ib=10 beyond continuous rating/

Tony Stewart EE75
  • 1
  • 3
  • 54
  • 185
  • Okay I corrected it. Thanks. But the thing is Vbe remains constant with change in Vb that was the thing. But if Ve changes Vbe also changes, Im a bit confused – user1245 Apr 01 '18 at 18:58
  • If H biased and say R1//R2=Rb is << hFE Re ( like < 30% of hFE*Re then Rb controls the base voltage, but if control also comes from the emitter ( from some lower imepdance) then Vbe is affected directly ( this contention for voltage control affects Vbe) – Tony Stewart EE75 Apr 01 '18 at 19:01
  • Btw with the temperature Icbo increases Ic. But why does this leads an increase in Ie. Icbo is not flowing through emitter. Is that an indirect effect? – user1245 Apr 01 '18 at 19:03
  • Temp. affects leakage resistance = V/ ICBO is reverse leakage, ICBO is included in ICEO. – Tony Stewart EE75 Apr 01 '18 at 19:05
  • Yes the equivalent CE leakage resistance due to Early Effect voltage – Tony Stewart EE75 Apr 01 '18 at 19:07
  • Could you explain one more time in an easier fashion why we consider Vb(voltage at the base terminal (not Vbe)) not changing when Ve(voltage at the emitter terminal) increases in this case? Do I need an equivalent circuit to understand this? – user1245 Apr 01 '18 at 19:20
  • Since emitter impedance is Rb (equivalent)/ hFE << Re , the emitter voltage in an H bias will “follow” the base Vb, which is why we call the emitter output "emitter follower" – Tony Stewart EE75 Apr 01 '18 at 19:26
  • When you say "emitter impedance" do mean the output impedance seen from the emitter ? – user1245 Apr 01 '18 at 19:32
  • yes looking back into emitter the Zout(f) = Zb(f)/hFE. It is reciprocal; meaning Zin at base = hFE*Re and Zout at emitter = Rb/hFE – Tony Stewart EE75 Apr 01 '18 at 19:40
  • Hmm your words are very wise but I guess I need to more focus on the basics again. – user1245 Apr 01 '18 at 19:49
  • Start with an Emitter Follower – Tony Stewart EE75 Apr 01 '18 at 19:58
  • Tony - just a short comment: I think, you always should discriminate between static/ohmic resistors (R) and differential/dynamic resistances (r). Otherwise, confusions about the meaning of symbols are unavoidable. More than that, I prefer to express the differential input resp. output resistance at the emitter node using the most important transistor parameter: Transconductance gm=Ic/Vt. This parameter is independent on the beta value and the result is simply: Emitter output resistance re=1/gm. – LvW Apr 03 '18 at 07:56
  • That is also true – Tony Stewart EE75 Apr 03 '18 at 08:09
0

The Emitter-base junction plus the Re are a negative-feedback system. Any changes in Vbe ( -2.2 milliVolts per increase of the temperature of Emitter-base) is opposed by an increase in voltage drop across Re.

We know the Ic is an exponential result of Vbe; e^1 or 2.718X for every 0.026 volts increase (or decrease) in Vbe. Running the transistor at 1milliAmp, with 100 ohms as Re (thus 0.001amp * 100 = 0.1 volt across Re), then lift the base voltage by 0.026 volts and what happens?

As the Vbe increases, the Ic increases, the Ie increases and the v(Re increases), all happening within a few hundred nanoseconds (the speed determined by many time constants external and internal to the transistor).

Almost all of the 0.026 increase in Vbase ends up across the Re; assume 0.020 ends up across Re, thus the voltage increases from 0.100 to 0.120.

What extra Vbe is needed? 4milliVolts more Vbe allows 10% more Ic; 8 milliVolts allows 20% (really 1.1 * 1.1 = 1.21X more Ic). Thus we need 8 more milliVolts Vbe for that extra 20% Ic.

The circuit ends up at 0.119 volts across Re, with 0.007 extra Vbe, and the Ic has risen from 1.000 mA to 1.19 mA.

Notice how most of the extra Vin becomes a almore-pure-linear increase across the Re, thus the amplifier becomes rather linear because of the 0.100 baseline voltage across Re.

Read up on Intercept Point 2 and 3, for bipolar transistors, to begin understanding distortion.

analogsystemsrf
  • 34,253
  • 2
  • 19
  • 48