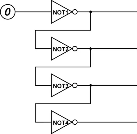
I need to get 4 outputs from a 5V digital output as follows: 2 of them inverted and 2 of them non-inverted. I thought about using a 74 HCT 04 hex inverter in the following configuration:

simulate this circuit – Schematic created using CircuitLab
The 0 represents the output of an Arduino Digital GPIO pin and the output of the four inverters the outputs I'm going to use. Is this a valid configuration or am I going to run into problems whilst doing this? I am concerned because each inverter/buffer drives both another NOT gate and the actual output. The outputs I need to drive have a maximum low-level input current of -10 microA, and the the high-level input current 30-100 microA.