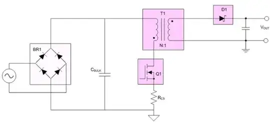
I was trying to learn how the flyback and half bridge DC-DC converter is working.
For Flyback circuit,

Understood output waveform is as follows.

Keeping this understanding in mind, I was trying to analyze the Half bridge DC-DC converter working.

MOSFET Part number: BUK7K17-60E
Current flow as per my understanding is
For M1 is conducting: VIN -> M1 -> T1-> C2->GND
For M2 is conducting: VIN-> C1 -> T1 -> M2 -> GND
Please correct me if I am wrong.
Also, any direction to the current and mosfet drain voltage characteristics (plots) will be appreciated.
Datasheet of LM5109B: Link