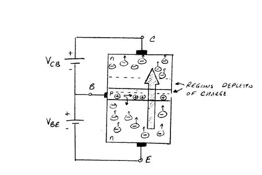
Break the figure into parts and try to understand.
First consider Base and Emitter ; Base is P and Emitter is N type. Hence they form a diode. Seeing the voltage you can say that they are forward bias therefore there is a current flow from Base to Emitter. (Electrons flow in the opp. direction)
Now consider Base and Collector ; Base is P and Collector is N type. Hence they form a diode as well. Seeing the voltage you can say that they are REVERSE bias therefore there is a NEGLIGIBLE current flow between Base to Collector or other way round. That is why no connection between the two. But there is an interesting thing going on here; since they are reverse biased there is a strong Electric field experienced at the junction of base-collector hence the electrons from emitter entering sees that field and is immediately sucked by that field and hence those electrons reach collector this is the current flow between emitter and collector. This is how BJT work basically, there are many perspectives of the working, follow what suits you the best.

