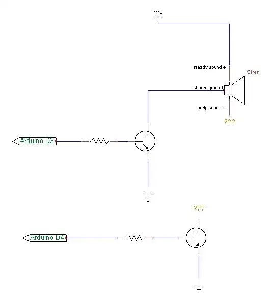
Instead of switching the common ground, you want to switch each of the positive connections independently and keep the common ground tied to ground. Something like this:

The SIREN and YELP lines are intended to be driven by 0-5 V digital outputs. This will put very little (well under a mA) load on the digital lines. When YELP is driven to 5 V, it will cause Q3 to turn on as a 10 mA current sink. This becomes the base current of Q1, which can then acts as a high side switch that can support up to 10 mA times its gain. Figure you can count on Q1 and Q2 having a gain of at least 50, so they can switch up to 500 mA as this circuit is drawn. This is all you need if the yelp and siren inputs to the sound unit draw 500 mA or less at 12 V.