I want to add a real time clock module into my little project. I want to display both time and date on my existing i2c 2x16 LCD module.
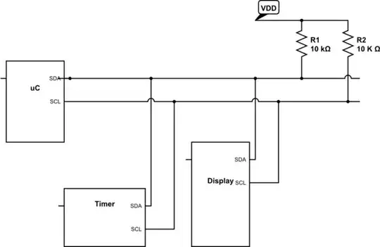
Both i2c-interface real time clock module and 2x16 LCD module use the same pin A4 (SDA) and A5 (SCL) on Arduino Uno. After hours of searching on the net the i2c bus can actually take many serial devices. This is possible because each device has its own unique address.
My question is how to physically wire the two i2c-interface devices into a single A4 and A5? Thanks.

