1

I am looking for a circuit that will power my device with 12-24v no matter the polarity, the device will use around 1a maximum.

I know a bridge rectifier should work but I cannot deal with the voltage drop.

So if the supply is connected in reverse the device will continue to operate.

I need this because the wiring it will connect to cannot be changed, both conductors are the same colour, the connector is polarised and there is a good chance that the connections in the connector could be reversed.

I have looked up reverse polarity protection circuits but they just protect rather than make it work.

Has anyone got any example circuits or could tell me the terminology to search for?

Newbie Noob
  • 886
  • 10
  • 28
  • 2
    This might help: http://electronics.stackexchange.com/questions/208875/why-does-this-bridge-rectifier-claim-to-have-no-diode-forward-voltage-drop – PeterJ Jun 25 '16 at 09:15
  • 1
    Why do you say that you cannot deal with a rectifier bridge drop? At 12-24V usually a ~1.4V drop is not so critical (at 1A, that's 1.4W loss). You could also use Schottky diodes: if you oversize them (i.e. use 3A diodes) the voltage drop could be maintained at about 0.5V per diode, i.e. 1V total for the bridge. – LorenzoDonati4Ukraine-OnStrike Jun 25 '16 at 10:26

3 Answers3

4

Sounds to me like you need an 'ideal' bridge rectifier. Fortunately, these are available from Linear Technology.

Check out LT4320:

http://www.linear.com/product/LT4320

Jacob
  • 425
  • 2
  • 13
  • Wow, these don't look very expensive. Why do I feel like I've never seen a single consumer device that supports this? – user541686 Jun 25 '16 at 16:27
  • Because in consumer devices, where the volume is very high, even a small savings make a noticable impact on the bottom line. And besides, a consumer device would not have the possibily of connectiing the supply with reverse polarity, since the supply would either be delivered with the product, or very standardized such as USB. – Jacob Jun 25 '16 at 17:02
0

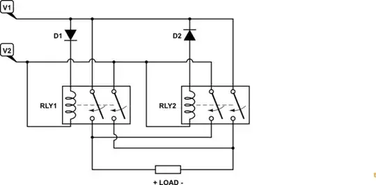
schematic

simulate this circuit – Schematic created using CircuitLab

Figure 1. Polarity rectification by relay.

A pair of relays can provide the protection required.

  • If V1 is + then RLY1 connects the power to the load observing correct polarity.
  • If V2 is + then RLY2 connects the power to the load observing correct polarity.

You have specified a rather wide voltage range so additional regulation of voltage or current may be required for the relay coils.

A single relay could be used with changeover contacts but would provide reverse polarity in the instant before it changed over. Similarly if the single relay were to fail there would be no reverse protection.

Transistor
  • 175,532
  • 13
  • 190
  • 404
-1

See also this answer.

One way to compensate for the voltage drop would be to use a DC-DC boost converter after the bridge rectifier. If it is an isolated converter, then it would also eliminate the problem of sharing a ground between the power source and your circuit.

Dave Tweed
  • 172,781
  • 17
  • 234
  • 402