Today I found myself wondering something about capacitors, and though my first reaction was to turn to Google, I also discovered that I don't know how to word my inquiry without getting ten thousand irrelevant results.
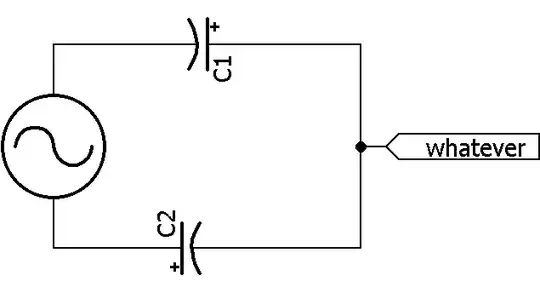
Assuming C1=C2, what would happen if polar capacitors were arranged in this configuration? What, if any, total capacitance would they have, or would they just pop? What if the values of C1 and C2 were different, say 100u:10u?


whateveris needed. If nothing is connected - remove it. If something is connected - draw it. We can't speculate about a circuit that anything can hook up to. – pipe Jun 13 '16 at 08:35