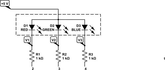
I have an rgb led with a common annode connected to my 3.3v arduino mini pro in the following way:

simulate this circuit – Schematic created using CircuitLab
When I try to illuminate more than one diode, to create a "multi" colour, only one of the colours shows. An example would be, using the following code would result in only the red colour showing:
digitalWrite(redLed, LOW);
digitalWrite(greenLed, HIGH);
digitalWrite(blueLed, LOW);

