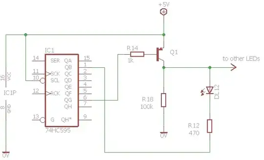
Basic idea is to extend existing device with a buzzer: I want to make noise when one of the diodes lights up (DL12 on the attached picture). From the layout of the board I assume that U1 (M74HC595) is driving both rows of LEDs (DL8-12 and DL13-17, only one diode from each row is lit at a time) in turns (fast enough that there is no flicker). I want to read from U1 which is a tri-state logic IC and detect both QB and QG (Q1 and Q6 below) to make logical AND on them.
I was also to build simple circuit based on transistors but without luck (NE555 circuitry is omitted) :( What have I done wrong?


