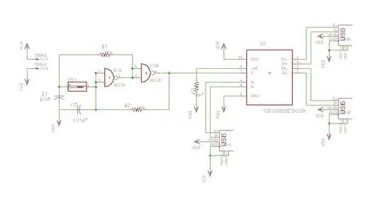
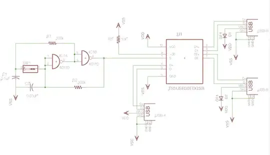
I am a new logic hobbyist. This is a USB switch I am trying to build. I want to share my keyboard between two computers and be able to switch between them by clicking on SW1. The keyboard will be connected to the USB connector on the bottom, and the two USB's on the RHS to each computer. It will be great to hear the expert's opinion on this before I go ahead and order parts.
Update: Uploaded a new Fig. Please find the links to the devices blow:
