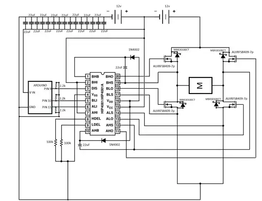
Hi, I want to run a 24v motor with a 12v h-bridge mosfet driver (HIP4081A). I haven't try it in real life but I made the schematic. I want to know before testing it if you can find any error or bad idea in my schematic.
I was successful to run the motor on 12v with the same battery than the driver.
