I got a screw terminal with the following pin configuration:
X1
+-------------+
| (X) (X) (X) | 1 = 24V 2 = SIGNAL 3 = 0V
| | | | |
+--|---|---|--+
1 2 3
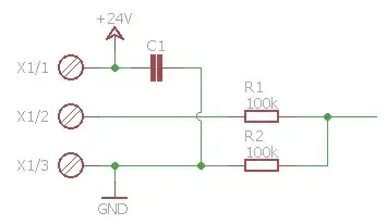
My "requirements":
- Convert 24V SIGNAL to 12V logic
- Add bypass capacitor for supply
At the moment my schematic looks like this:

I need the design as compact as possible but I don't want to confuse myself in future.
What do you think: is the above schematic easy understandable or is it already too complex? And what is commonly more important in a schematic: simplicity or sheet "space"?
