11

I was wondering if someone could explain what a totem-pole output driver is?

I have seen the term mentioned in connection to the inner circuitry of an AND gate (consisting of transistors) and in terms such as "Standard Totem Pole Output." However, nowhere is it actually explained what it is and what function it serves...

thanks!

rrazd
  • 1,677
  • 8
  • 23
  • 30

2 Answers2

9

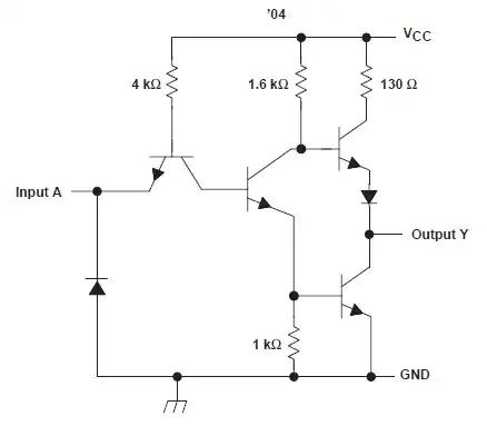
SN7404 schematic

This is the schematic of a TTL logic component (here an 7404 inverter), with the typical totem-pole output. The output consists of a push-pull driver with a resistor and a diode added. Like Russell says this is not the classic PNP-NPN complementary pair push-pull, but one where both transistors are NPN. Typical of the TTL totem-pole output is its asymmetrical drive capability: 16mA sink/-0.4mA source.

I guess the name comes from the stacking of components on top of each other, like the objects on a real totem-pole. I'm not an anthropologist.

stevenvh
  • 145,832
  • 21
  • 457
  • 668
  • What he said. Note that the driver is NOT a complementary one with NPN and PNP, as would be usual for a push-pull audio driver. This uses 2 x stacked "totem pole" NPN transistors. As this is intended to be a digital driver the crossover distortion issues of audio drivers are of no great significance here. – Russell McMahon Jul 15 '11 at 04:17
  • @Russell - Right. I'll add the NPN-NPN remark to my answer. – stevenvh Jul 15 '11 at 04:20
  • Some dumb questions more than a decade later. Why is the diode needed? – Michael Lehn Sep 11 '23 at 19:56
0

The practical aspect of "totem-pole" in Integrated Circuits is that the PIN with a "totem-pole" property can sink and source current depending either on certain input condition or configuration.

learn design
  • 996
  • 11
  • 27