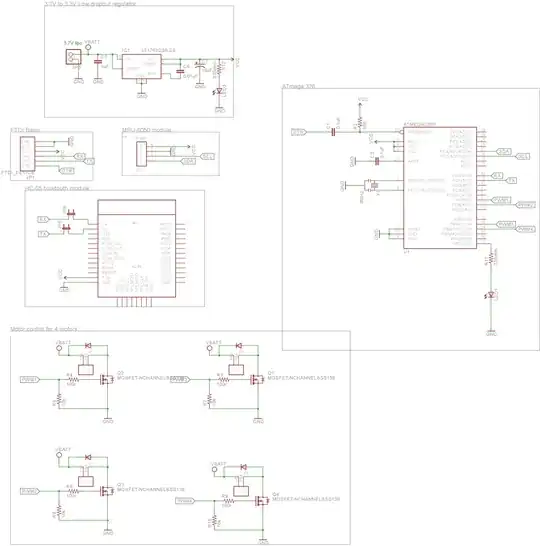
I made a schematic with an ATmega328, a LT1763, and a HC-05 module. I was wondering if I made any mistakes on the schematic. It also has a 4 pin female header for a MPU-6050 module. It might end up being a mini quadcopter someday, but for now I made the schematic as a first step and to learn more about better circuit design. Here is my circuit, you can click for a larger view:
-
1Just a point of style: God gave us corners for a reason. – Majenko Dec 23 '14 at 00:36
-
When viewing this with a right-click View Image, this appears (at least in FireFox) to have two sizes: unreadable and huge (too big to read). – tcrosley Dec 23 '14 at 00:53
-
1Suggestion: try to avoid diagonal lines in schematics as much as possible. | Try to have ground connections at bottom of subdiagrams - eg R12 + LED3. – Russell McMahon Dec 23 '14 at 00:55
-
@tcrosley - Put the native size to the "unreadable" in the browser's view image window. Then use your mouse wheel to zoom the window till it is readable. Not ideal but works pretty good. – Michael Karas Dec 23 '14 at 00:57
-
@RussellMcMahon I fixed the schematic a bit – Dec 23 '14 at 01:01
-
@tcrosley I fixed the picture being too big – Dec 23 '14 at 01:02
-
@Majenko I fixed the diagonal lines – Dec 23 '14 at 01:06
-
Can you be more specific about what questions you want us to answer? – The Photon Dec 23 '14 at 01:10
-
Also, be sure to read this: http://electronics.stackexchange.com/questions/28251/rules-and-guidelines-for-drawing-good-schematics – The Photon Dec 23 '14 at 01:10
-
@ThePhoton I don't have any specific questions, but I want other people's impression of it. Also, I wanted to know if there were any glaring mistakes. Thank You for the link, I never realized there was a thread like that. – Dec 23 '14 at 01:27
-
Please read the help pages. This site is meant for asking and answering specific questions. – The Photon Dec 23 '14 at 01:28
-
@ThePhoton Ok I am sorry. My question is the circuit for the motor drivers using the N-channel Mosfet is it correct? For example, the calculated resistor values, also are there any glaring mistakes? – Dec 23 '14 at 01:34
-
This is a gonna be a cool robot! – KyranF Dec 23 '14 at 02:26
-
Please edit the question to include a specific question. – Phil Frost Dec 27 '14 at 17:14
1 Answers
Looks good at a quick look through. Nothing obviously bad.
BSS138 are especially wimpy MOSFETS. Ok for playing but do not do justice to the rest of the circuit. Not up to quad copter use, but, you know that.
DTR is intended to reset the processor I assume.
To pass the Olin schematic test you'd want (amongst other things)
To move text strings off lines (eg PS3 PS4 by MOSFETs and rotate them to horizontal where sensibly possible. PWM3 label is overwritten by MOSFET name etc. VCC label in eg FTDI box turn 90 degrees.
Have connectors from FETs vertically above FETs rather than bent at 90 degrees. Vbatt could be above or to one side.
And similar
Aim is to not 'twist brain' to follow obvious flow.
Some people will read diagrams with small points as above and find them less than comfortable but bearable. Others will essentially refuse to look at them. The latter reaction is somewhat extreme but reflects an underlying semi-reality - a really tidy diagram with attention to layout, text and component orientation, consistent labelling and more SUGGESTS an underlying technical competence, and a messy diagram tends to suggest the onbious. Neither of these impressions may be correct, but they are often a useful starting guide. Also, arguably, a tidy diagram reflects respect for those who you expect to use it (and the validity and relevance this has been argued at length :-) ) and is more likely to allow you to spot technical errors.
NB: DO NOT ever take my diagrams as examples of how to do things well. I am a "classic messy" who attempts to force the world's mold on my output with varying success. Judgements based on normal standards may mislead one wrt the value of a classic messy's offerings - and may not :-). Equally a chronic super-tidy (who can in their own way be just as bad as a messy) may produce superb copy but not always match it with underlying competence. FWIW.
- 150,303
- 18
- 213
- 391
-
Thank you for this detailed answer, I wasn't going to use the BSS138 MOSFETS, I was just using that package since it was the correct size for the actual mosfets. Thank you for the tips, they helped a lot. – Dec 23 '14 at 20:55
