0

I am currently working on a project that uses a 9.8V 1000mAh battery to power a solenoid, and as I understand it (please correct me if I got this wrong.) a battery capable of delivering 1000mAh is also capable of delivering 1Ah, or 2A for 1/2 hour, 4A for 1/4 hour, etc.

So, assuming I got the above correct, I need to know how to limit the battery output current to 1.0A (My circuit would get really hot otherwise.)

Passerby
  • 73,027
  • 7
  • 93
  • 209
CoilKid
  • 261
  • 1
  • 5
  • 18
  • 1
    The current demand is a function of your circuit layout. That is, just to say you are powering your circuit with 9.8V does not mean that is will draw 1A or even 2A. In other words, the current sourced from the battery is not an intrinsic characteristic of the battery you choose. If I am completely missing your intent then please forgive me, but considering the words you chose it came across that you are a bit confused with this concept. – sherrellbc Aug 15 '14 at 18:40
  • I probably am. Like I said, I am still very new to this. :) – CoilKid Aug 15 '14 at 18:48
  • Honestly, as I am using a solenoid as my entire circuit, I have no idea what it will draw. I assume/d the coil would basically draw whatever I could throw at it until it melts. As my force calculations rely on the current being between 0.7 and 1.0A, I do not want it to under/over power the coils. – CoilKid Aug 15 '14 at 18:58
  • The solenoid will only 'use' finite current. It would melt itself if its resistance is low enough. So it should be easy to fix. Have you any test equipment, like a multi-meter? – gbulmer Aug 15 '14 at 19:16
  • Yes, but I have not built the coils yet. I am trying to design them ATM. I have a target current and target number of turns in my design, so I'd like to keep the number of turns and the gauge set. – CoilKid Aug 15 '14 at 19:25
  • I coil steady state is I= V/R. If R is too low then I is too high. You could add series R or linear regulator as others note but you waste energy. Whether this matters depends on what R of coil is. You can build a 2 transistor current limiter which is effectively a buck converter that allows you to set coil I to any value <= V/Rcoil. More if of interest. Knowing RE coil will help. | Does coil I have to be utterly steady/very steady/somewhat steady/wave like a flag is OK steady? – Russell McMahon Aug 16 '14 at 04:42
  • Hmm. I would like to keep the tenths place steady. The currents I am aiming for are 0.8A, 0.9A and 1.0A. I am not sure how much difference it would make to have the hundredths change around much, but I doubt it would be a significant change. – CoilKid Aug 16 '14 at 17:40
  • @RussellMcMahon, do you have any suggested links to the circuit design you describe above for a transistor circuit that limits current? Also, CoilKid, if you want the current to be as you describe then your best bet is to drive the coil with a constant current source rather than a voltage source. – sherrellbc Aug 17 '14 at 00:38
  • @sherrellbc See my answer – Russell McMahon Aug 17 '14 at 04:09
  • @sherrellbc If by voltage source you mean the battery, I don't have a choice. – CoilKid Aug 17 '14 at 04:33
  • @CoilKid - stackexchange is not a forum. The goal is to build up a wiki of clear, useful questions and good answers. Pretend that comments will be lost. You need to write your question, not comments, so that people can answer. Keep editing your question to make it clearer for the people who are trying to help you. You need to tell us exactly what you are trying to achieve. We may ask for more information, so we can understand and answer clearly. Please look at Help – gbulmer Aug 17 '14 at 13:08
  • @CoilKid - I think we need to know the basis of your force question, so we understand its constraints in full. Then I would expect the community to give you a good answer. Try to stick to the same question, add more detail to the question, do not make assumptions; you seem to be very confused, and your assumptions seem to be wrong. That is okay. Let the community help you by using comments to ask for more information. Do not change the question's meaning in comments. This way the community can help. It should be a painless process if you 'go with it'. – gbulmer Aug 17 '14 at 13:15

2 Answers2

4

Your first assumption "battery capable of delivering 1000mAh is also capable of delivering 1Ah, or 2A for 1/2 hour, 4A for 1/4 hour" is incorrect. (That has been answered here already, I will have a look for it.)

The battery capacity vs discharge is far from linear, and the mAh rating is quoted against a low discharge rate (~0.1*capacity).

Secondly your circuit will use as much current as it needs. Trying to limit the current is likely to stop it working. To use less current, redesign the circuit. (You might want to write a new question about that, if you need help.)

Answer: So, if the current must be 1A, and the voltage is 9.8V, wind a coil with a resistance of 9.8ohms.

Edit: Clarified that the circuit is only the solenoid, and it is made by OP.

To use less current, either reduce the voltage, or increase the resistance of the coil.

Increase the resistance of the coil by using more turns, or thinner wire. Thinner wire will have a higher resistance, but you might not have any to hand. So more turns is easier to do.

Edit:
The relationship between resistance (R), current (I) and voltage (V) is Ohm's Law, and is: V = I x R

The battery provides a fixed voltage, in this case 9.8V

So I x R is fixed, it equals 9.8

Let's assume R is 2ohms
So I x 2ohm = 9.8V
I = 9.8V / 2ohm
I = 4.9A

If the resistance increases, the only possible way to ensure I x R stays the same, is to reduce I. Double the resistance, then I must half. increase R by 10, and that changes I by 1/10, or multiples I by 0.1.

Let's do it, R is 10 x bigger, so R become 2ohm x 10 = 20ohm
I = 9.8V / 20ohm
I = 0.49A

Further statements:
"If I run the same current through a wire with higher resistance ..."
Well how could you cause that to happen?

We know that the voltage (the force, if you like), the battery can exert is fixed at 9.8V. So if the resistance is increased, then the current must be decreased. Why? That is how the universe works.

So if we take the initial calcuation, 2ohm resistor allows 4.8A to flow
Power = V x I
Power = 9.8V x 4.9A
Power = 48.02W

Let's double the resitance to 4ohm
9.8V = 4ohm * new-I
new-I = 9.8 / 4
new-I = 2.45A

new-Power = 9.8V * 2.45A
new-Power = 24.01W - so a wire with twice the resistance will heat up more slowly

gbulmer
  • 10,070
  • 20
  • 29
  • Well, the circuit is a loop of wire, so... If I need to redesign the coils I can. I guess I need to research battery discharge rates better. :) – CoilKid Aug 15 '14 at 19:01
  • Okay. I did't interpret your question that the circuit is only a solenoid. I'd assumed it would be doing other stuff too. If it is a home-made coil, can you use lots more turns of thinner wire? Double the turns, or half the cross-sectional area. – gbulmer Aug 15 '14 at 19:07
  • Yup, its home-made. The only other thing on the battery would be a switch. I can use more turns if I need to. As of now, I was going to use AWG #26 magnet wire. – CoilKid Aug 15 '14 at 19:12
  • Well, if my coil has a set number of coils @ set current, I could reduce voltage using a voltage regulator? (Or am I still not understanding?) – CoilKid Aug 15 '14 at 19:16
  • A coil of wire will (after the turn-on transient settles to steady state) appear to the voltage source as a resistor, with resistance of the wire used in the coil. A short piece of thick wire will look like a short circuit (a few milliohms). A very long, thin wire will look like a resistance which you can calculate by multiplying (ohms per meter of that gauge wire) x (meters of wire). For your 9.6V battery you get current less than 1A (1C rate) if the resistance is more than 9.6 ohms. If resistance is less than 3 ohms you are probably discharging your battery at too high a rate. – Matt B. Aug 16 '14 at 03:40
  • If all you need is higher total resistance across the battery (to limit load current) you could add a power resistor in series with the solenoid, rather than adjusting the length of wire (number of turns). Some of the voltage would drop across the resistor, effectively forming a voltage divider. A voltage regulator would be overkill if you don't care about having a constant voltage across the solenoid. – Matt B. Aug 16 '14 at 04:15
  • I must be really confused... I thought that introducing more resistance would drop the voltage, but not the current? Or am I missing something? I believe When I asked about the voltage regulator, I should really have asked if it could be part of a circuit to drop the current to a predetermined level? – CoilKid Aug 16 '14 at 17:29
  • Honestly, if the maximum output of my battery could only be up to the maximum current I want to put through my coils, I wouldn't have to work out a current limiter... I also calculated the resistance of my coils to be (With current at 1.0A, at about room temperature) about 0.972Ω. – CoilKid Aug 16 '14 at 17:33
  • @CoilKid - yes, you are really confused. The battery will always attempt to create the same voltage across a circuit. At a fixed voltage, the current is 'controlled' by the resistance. Increasing the resistance decreases the current, and vice versa. At some disastrous stage, the battery voltage will start to drop because the resistance of the circuit is too low. – gbulmer Aug 16 '14 at 17:33
  • Ah, okay I think I see how that would work. :) – CoilKid Aug 16 '14 at 17:35
  • @CoilKid - cool. Keep asking if things are still unclear. However, increasing the number of turns on your solenoid, so that the resistance is equal to 9.8V/1.0A will satisfy the information you've given so far. That is about 10x the number of turns you have. The other way to increases resistance is use thinner wire. Half the cross-sectinal area = twice the resistance. So half-the area and 5x more turns would also get you into the correct region to balance the V/I equation. – gbulmer Aug 16 '14 at 17:37
  • I can't use thinner wire without running the risk of a faster overheating, and I can't add more turns, as the solenoid force calculation I use depends on the current, and the number of turns. The external resistor is something I should think about though. – CoilKid Aug 16 '14 at 17:43
  • Why do you think thinner wire will overheat faster? Why do you think the force calculation can't be achieved with more turns? I realise this may seem harsh, however remember that you are in the process of understanding, so you may be making assumptions which are not true. As a concrete example, if you fold the wire in half, and then wind the two wires at once onto the solenoid body, the resistance has not changed, but the force is very, very small. So it is feasible to add turns to reduce the resistance, and hence reduce current, without changing the force. (Going out now, bye) – gbulmer Aug 16 '14 at 17:50
  • Weeell... If I run the same current through a wire with higher resistance, it will heat faster, right? _Watts=Current^2 * Resistance (P=I^2 * R). That should give me the number of Watts lost to joule heating. Since Watt=Joule/Time, Temp rise = Watts lost/(Mass of wire * Specific heat of wire material) – CoilKid Aug 16 '14 at 18:12
  • In this case, my resistance is 0.97232Ω @ 8.3374g mass @ 0.3844 J/(g °C), so Temp rise = 0.97232/(8.3374 * 0.3844), or Temp rise = 0.3033857666844636°C/second – CoilKid Aug 16 '14 at 18:21
  • I don't believe that the voltage is a very large consideration in my force calculations. As long as the current is stable, my force calculations should work... Have I missed anything? – CoilKid Aug 16 '14 at 18:42
  • @CoilKid - read my answer. – gbulmer Aug 16 '14 at 22:54
2

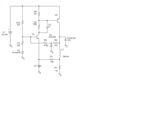
The circuit below allows you to limit the coil current to the maximum value of your choice. It was designed to allow relays to be operated from voltage above their rated value.

This circuit was provided by Richard Prosser for driving a relay or solenoid at constant current from a supply voltage higher than it is rated for.

Circuit from here - PICList, 2001, Richard Prosser.

Q1 & Q2 form a self oscillating buck regulator where the relay or solenoid is the target load and the inductor simultaneously. Q1 base is DC biased by D2 and R10, R2. When V on R7 due to Irelay causes Vbe Q1 to fall below about 0.6V, Q1 turns off and turns off Q2 and coil current circulates in L1, R7, D3.
R8, R9 provide hysteresis by changing Q1 base voltage so Irelay must fall slightly before Q1 turns on again and restarts cycle.
C3 provides positive feedback during switching to get squarer waveform.
The 'World famous on the internet' "Black Regulator" was derived from this circuit by Roman Black in response to a design challenge that I initiated.

enter image description here

At 1st impression it may seem "a little complex" but it's not too bad in practice.
Components
2 jellybean transistors,
8 resistors
2 Capacitors
2 diodes,
1 zener.

R10, R2, D1 simply provide a roughly regulated voltage at Q1 base.

When I out gets too high Q1 and Q2 turn off,
when the current drops a little Q1 & Q2 turn on again.

The difference between turn off and on is affected by feedback via R8 R9 D2 - this injects some low going voltage into (or "sucks out current" from) Q1 base which lowers the reference voltage from R10 etc so the current has to fall somewhat to restart.

If Vin was reasonably constant or if you don't mind a degree of variability in Iout as Vin varies you could simplify by :

Remove D1 and increase R2. Needs playing. D1 is meant to offset the Vbe drop of Q1 so the R10, R2 divider voltage is about the same as the R7 voltage caused by Inductor current.

Remove R8 and D2. Presently the zener stabilises the high swing at this point when Q2 is on regardless of Vin. If Vin is fixed you may be able to remove the zener and one resistor. The ratio of R9 to R2 affects how much hysteresis is caused.


Related

Black switching regulator voltage regulator based on the above circuit.

  • Ground the output with a current sense resistor and use a solenoid or relay as the inductor and it is similar to the original circuit above.

  • Ground the output with a current sense resistor and place an LED in series with the inductor and you have a constant current LED driver.

See above link for discussion and a number of predesigned variants for various applications. enter image description here

Russell McMahon
  • 150,303
  • 18
  • 213
  • 391
  • Whoa, that's a complex. I think I'm gonna study that drawing for a while before I understand it... ;) – CoilKid Aug 17 '14 at 04:49
  • @CoilKid 1st impression is complexity - but it's not too bad in practice. 2 jellybean transistors, 8 resistors as shown, 2 Cs, 2 diodes, 1 zener. | R10, R2, D1 simply provide a roughly regulated voltage at Q1 base. | When I out gets too high Q1 and Q2 turn off, when the current drops a little Q1 & Q2 turn on again. | The difference between turn off and on is affected by feedback via R8 R9 D2 - this injects some low going voltage into (or "sucks out current" from) Q1 base which lowers the reference voltage from R10 etc so the current has to fall somewhat to restart. You could simplify by .... – Russell McMahon Aug 17 '14 at 08:22
  • .... doing the following if desired: Remove D1 and increase R2. Needs playing. | Remove R9 and D2. Needs playing. – Russell McMahon Aug 17 '14 at 08:23