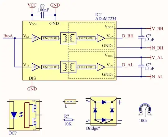
I want all the benefits of dedicated schematic drawing software but I often don't like the way the diagrams actually look. I know it sounds trivial, but I find it easier to read nicely hand drawn diagrams than all-red wireframe type ones.
Is there a decent piece of software where for example I can customise the shape or colour of opamps/wires/transistors etc?

