I want a continuous and highly stable light from an LED for around a couple of hours, for which I need a highly constant and highly stable current source. I prefer an opamp-based circuit for the same. What should I use?
-
What's wrong with a LM317? – Ignacio Vazquez-Abrams Mar 13 '14 at 05:15
-
4How stable is stable enough? LED's typically don't need anything super "precise" to work. Also, how much current are you expecting to drive, and at what voltage? Why do you want to use an op-amp? These usually have poor current drive outputs (good enough for a small signal LED, but a resistor works fairly well, and dedicated LED drivers even better). – helloworld922 Mar 13 '14 at 05:17
-
3To focus in on hello's key point: How stable is stable enough? If you really want highly stable light output you might be better off using optical feedback instead of worrying about the stability of the current source. – The Photon Mar 13 '14 at 05:24
-
I suggest just do some more search. Check the resources at Analog Devices web site and look for a PDF copy of the National Semiconductor Analog Applications book - part of their big data book series. – C. Towne Springer Mar 13 '14 at 05:33
-
I am expecting 60mA for 5V – user38630 Mar 13 '14 at 08:31
-
LM317 does not have as much sensitivity as we need...so that is ruled out. – user38630 Mar 13 '14 at 08:32
-
@ThePhoton i need maximum stability cuz i want the same light source to be continuous and stable for few hourse without any changes – user38630 Mar 13 '14 at 08:36
-
1@user38630 An LM317 will provide an accurate and stable current source. What do you mean by "sensitivity"? – Nick Johnson Mar 13 '14 at 10:20
6 Answers
I can speak from some small experiences on a part of this. I'll leave the "highly constant and highly stable" current source design to those who know this better than I. But I was involved in creating LED-based light sources intended as "lamp references" for optical work. Your description suggests the same to me.
(1) Even if you have a perfect current source, LED output varies with temperature. So they must be operated at a stable temperature. We chose to heat them to about \$75^\circ\text{C}\$ using a closed loop control. That solved the temperature drift problem.
(2) LEDs themselves aren't consistent. Even those cut from the same wafer aren't consistent. We had to pre-stress thousands of them, holding them at a stable temperature while running them with a current source for days. We monitored the optical output and data logged the results. A few, a SMALL FEW, would actually gradually drift and then settle down to a stable spot (peak wavelength and intensity.) We chose those for the standards. We threw away most of them, by far. At the time, we kept less than 1% of those tested because more than 99% of them simply weren't stable even over periods of hours.
I'm just saying. I believe you are focused on the wrong issue. Buy yourself a really nice 100ppm "stability" current source from a supplier that provides the range and resolution and accuracy you want and guarantees all of it (it won't be cheap.) And then use that with your LEDs and play around with temperature and various LEDs just to sample the modern situation with LEDs before going off and worrying about the current source end of it. You need to know what parameters need to be placed under your control in order to meet your requirements. Dog first, tail later. Just one opinion.
- 77,876
- 6
- 77
- 188
-
I forgot to add that earlier on we tested the LEDs for much longer than a few days. Those that stabilized in less than two days, were then stable over much longer periods. Those that didn't stabilize within two days, never were reliable even after "baking for weeks." So we determined that we could tell what we needed to know within two days and used that as a selection cutoff. – jonk Mar 13 '14 at 06:58
-
temperature maintainance will be taken care of in the dark room...I just want a 0.5% accurate current stability for the light. – user38630 Mar 13 '14 at 08:40
-
I also used REF200 but it gives an accuracy of 1.5% and i need lesser than that. – user38630 Mar 13 '14 at 08:42
-
Temperature stability was only one problem I discussed. How do you handle the second problem? – jonk Mar 13 '14 at 10:38
As has already been mentioned, if you feed a perfect and stable current into a LED, the LED will vary its output light level with temperature and quite likely aging as well. Why don't you build a light sensor to monitor the output light level and use this in a feedback loop to control the LED current. A lot of low power lasers do this: -

I'm not saying light sensors are perfect but some are stabler than LEDs (and intended to be so) - the difficulty is how you couple the LED to the sensor and prevent reflections and ambient light affecting things. As I don't know your proposed idea other than what you wrote it's impossible to say if this is feasible.
- 456,226
- 28
- 367
- 807
-
This is the way to go. You want constant light, you need to feedback from the light. This will handle any changes in the light source over time. – C. Towne Springer Mar 13 '14 at 21:05
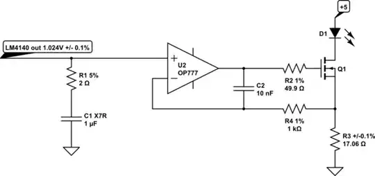
Stability is pretty easy to achieve at the 0.5% level, even the lowly LM317 should be good enough.
If you want a current source with, say, 0.25% accuracy and better stability, consider something like an LM4140 as a 1.024V reference.

simulate this circuit – Schematic created using CircuitLab
The compliance of the current source is about 3.8V, depending on the MOSFET chosen, so it should accommodate most types of LED. If you need more compliance, increase the supply voltage from 5V or divide down the reference and reduce the sense resistor (but that places more demand on the op-amp Vos and TCVos characteristics.
With care, and trimming, this should have stability in the 5-10ppm/K range, and initial error can be trimmed out completely (to the extent you can measure the current accurately).
- 397,265
- 22
- 337
- 893
-
Can you please explain the effect of the input RC? Also regarding the 1k resistor in the feedback, was that value selected for a specific reason ? – alexan_e Mar 13 '14 at 20:57
-
1The input RC is there to filter the LM4140 (see the linked datasheet). The R is required so it won't oscillate (it doesn't like very high quality capacitors on the output). The 1K is not critical, it was selected with the 10nF to make the amplifier stable. – Spehro Pefhany Mar 13 '14 at 21:03
-
-
@markrages according to my cost/benefit analysis it doesn't make sense to buy loose tolerance for moderate values in qty less than thousands – Spehro Pefhany Mar 13 '14 at 22:45
I know it has been a while, but what you want seems to be similar to a laser current source.
There is a physics paper that describes just that: a very low noise (~45nA rms), stable (µA/°C) current source for up to 200mA.
- 1,420
- 9
- 21
If you wanted for example 20 % stability on Luminous Intensity, you would have an impossible goal , even with a perfect current source due to bin tolerances, reflector tolerances, junction temperature rise differences due to ESR variance and fixture orientation variances. Typical specs are 200% max of min Iv.
But if you know where or how you want the intensity metered, an ambient focused or diffused photo diode detector to control the current, would make it trivial to achieve 1% tolerance for Iv. The eye can detect 1% step but a casual comparison with 10%difference would be hard to tell between two LED's. The eye has over a 10 decade range long term (day/night) and <3 decade range short term.
It depends on what is meant by "highly stable". How much output variation can be tolerated? As noted by others, the thermal characteristics of the LED will have a significant impact on the light output level, regardless of how stable the supply current is.
Providing a specific stable current can, in this case, be considered an open-loop control configuration. A very simple (two component) constant current source that generally works well with some trimming, is a JFET current regulator. A good write up may be found here:
If thermal effects cause too much variation for your application, a closed-loop control configuration, one which monitors the actual amount of light output from the LED and adjusts the current to compensate, will be necessary.
- 106
- 4