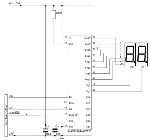
I'm using 7-segment 8-digits MAX7219 eBuy module in my battery-supplied ATMega168P project to output some readings. MAX7219 in powerdown mode draws ~150uA (as stated in the datasheet) which is too much for me, because the rest of the circuit draws less than 1uA is sleep mode. So I decided to power off Vcc line for MAX7219 before entering sleep, and power it on just after wakeup.
Current draw for the software-dimmed display module is only 15..19 mA in my case, which is far less than 40mA pin maximum for ATMega168P, so I connect display Vcc line to one of digital pins and power it on at setup():
void setup()
{
pinMode(4, OUTPUT);
digitalWrite(4, HIGH);
}
However, display module works only 1..3 seconds after starting, then switches off. I checked display Vcc — 4.9V, but the display is off. (I turned off enterng to sleep mode for a while)
This display module doesn't have capacitors C3 and C4 between Vcc and GND (but there's a placeholder for it), recommended in some sources. I solder two capacitors of 100nF and 4,7uF in parallel. It helps only a little: after 1..2 seconds of normal working display shows only digit #0 and in much higher brightness than I set (see the photo).
I may only suggest my cheap multimeter is wrong and the display draws much more, but I dont know how to check it. Rset is 10k on this module, btw.
- Why does it happen?
- Is there a way to solve the issue without using a transistor / MOSFET / relay (I suppose it should obviously help).
EDIT: If the display is powered directly by controller Vcc it works correctly as expected. It's current draw is 15..20mA.


