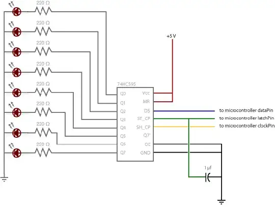
I'm talking about this tutorial "Serial to Parallel Shifting-Out with a 74HC595" from the official Arduino website. It provides the following schematic:
I've read a couple of times now, that the placement of the capacitor is wrong:
This is a well known shit tutorial which for some unknown reason they refuse to fix. That capacitor should be connected between the Vcc pin and ground, NOT the latch pin.
Source: forum.arduino cc/index.php?topic=408135.0
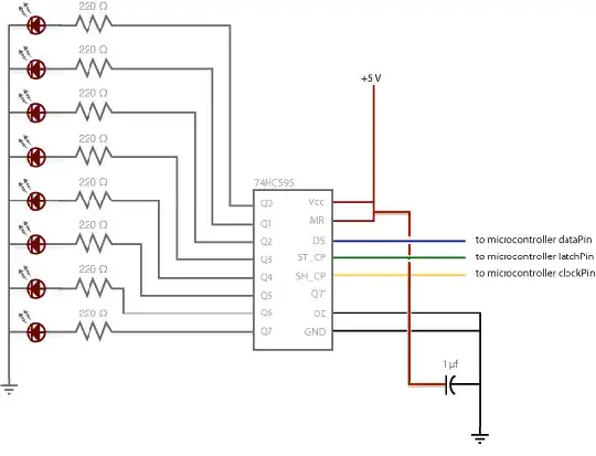
They recommend this placement:
Who's right? Please explain where to place the capacitor. Can the arduino even be damaged?


