Synchronous detector

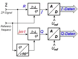
In electronics, a synchronous detector is a device that recovers information from a modulated signal by mixing the signal with a replica of the unmodulated carrier. This can be locally generated at the receiver using a phase-locked loop or other techniques. Synchronous detection preserves any phase information originally present in the modulating signal. With the exception of SECAM receivers, synchronous detection is a necessary component of any analog color television receiver, where it allows recovery of the phase information that conveys hue.[1] Synchronous detectors are also found in some shortwave radio receivers used for audio signals, where they provide better performance on signals that may be affected by fading.
See also
References