Your question is probably common enough, so I think you are asking a question worth a moment's time to discuss. One approach I use when I face a mental struggle trying to understand something like this is to slow down time and see where that takes me.
Let's look at the schematic in a different way:

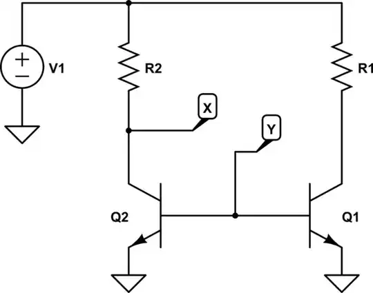
simulate this circuit – Schematic created using CircuitLab
What I've done is break the connection that you included on your schematic, between the collector and base of \$Q_2\$. We will want to say that \$V_X=V_Y\$ all the time because in your schematic there is a wire there. But I've broken that wire. This allows us to separate things long enough to talk about it.
Let's assume for a moment that \$V_Y=0\:\textrm{V}\$ and not necessarily the same as \$V_X\$ (for now.) In this case, \$Q_2\$ is off and there's no current in \$R_2\$. So \$V_X=V_1\$.
Now, let's start time flowing, but very slowly, as we mentally permit the voltage at \$V_X\$ to equilibrate with the voltage at \$V_Y\$. As \$V_Y\$ rises just slightly towards \$V_X\$, \$Q_2\$ begins to turn on. As it turns on, a small collector current starts up and therefore a small voltage drop across \$R_2\$ begins, as well, lowering \$V_X\$. So you can see that \$V_X\$ is lowering as \$V_Y\$ is rising. (We're keeping them disconnected but allowing \$V_Y\$ to rise independently, remember?) It's a good sign that they are approaching each other.
I didn't mention the base current in \$Q_2\$, yet. But it's very, very small. The recombination current only needs to be quite tiny in order to allow the collector current to continue. (Without the base current, a barrier would quickly develop to block further collector current. But it doesn't take much to keep things working.)
As we continue to allow \$V_Y\$ to rise and to increase the active collector current (the collector current is an exponential function of \$V_Y\$), the voltage drop across \$R_2\$ rapidly increases, thereby rapidly dropping the voltage at \$V_X\$.
At some point, \$V_X\$ approaches \$V_Y\$ and they become equal at a point very, very close to a "diode drop." This happens this particular way because \$V_X\$ drops at a rate that is exponentially faster than \$V_Y\$ rises. Every \$60\:\textrm{mV}\$ increase in \$V_Y\$ results in a voltage drop that is 10 times larger in \$R_2\$. So it's pretty easy to see why \$V_Y\$ won't have much of a chance to rise, before \$V_X\$ reaches it and the process stops.
Now, look back over this. We've reached a point where \$V_X=V_Y\$ and there's no quandary or confusion. If we carefully and slowly increase the voltage at \$V_Y\$, then there will quickly come a moment when \$V_X=V_Y\$ and right exactly that this moment we could just run a wire from \$X\$ to \$Y\$ and nothing new would happen when we did that. So we just short the two points together and are at the exact same place as before.
We've brought the two points together slowly. This is similar to what happens when you place a wire there and power up the circuit. It just all happens very fast in real life. And it is a lot easier to focus on the final equilibrium state and talk about behavior relative to that, than to digress over some odd nanosecond that doesn't really matter for most purposes.
Once \$Q_2\$ and \$R_2\$ reach equilibrium, this also determines the value of \$V_{BE}\$ for \$Q_1\$. Since that voltage determines the collector current in \$Q_1\$ (subject to some reasonable constraints), this means that the collector current in \$Q_2\$ is approximately replicated in \$Q_1\$'s collector leg.
A current mirror.
Sure, there will be a slight adjustment due to the diversion of current supplying the two bases. And there will be another adjustment for the Early Effect that applies to the difference between the \$V_{CE}\$ of the two BJTs. And if these are unmatched parts, there will be still more adjustments for the variations between them, as well. And the load (\$R_1\$) matters, too, as it can drive \$Q_1\$ into saturation if the mirrored current is high enough. But it still can be useful and the idea is often found in ICs, at least, where there is some closer control available.
Assuming your schematic (not mine, unless you short \$X\$ and \$Y\$ together), a simplified expression for the shared base node (let's just call the voltage there \$V\$) is:
$$2\frac{I_{S}}{\beta}\left(e^\frac{V}{V_T}-1\right) + \frac{V}{R_2}=\frac{V_1}{R_2}$$
The above assumes that \$I_S\$ and \$\beta\$ is identical in both BJTs.
Unless you are familiar with the use of the Lambert-W (product-log) function, you won't be able to provide a closed solution for that equation. (If you are interested in what the LambertW function is [how it is defined] and in seeing a fully worked example on how to apply it to solving problems like these, then see my answer here: Differential and Multistage Amplifiers(BJT).)